
The ES-3 module is a stereo power stage, with a maximum power by channel of 0,5W. It could connected to the mixer
output or to the auxiliary input of a sound device.
It is supplied by 12 VDC and the recommended power supply is the FE-2 module.
Because all the information indicated in this manual instruction, you had to read it.
OPERATING.
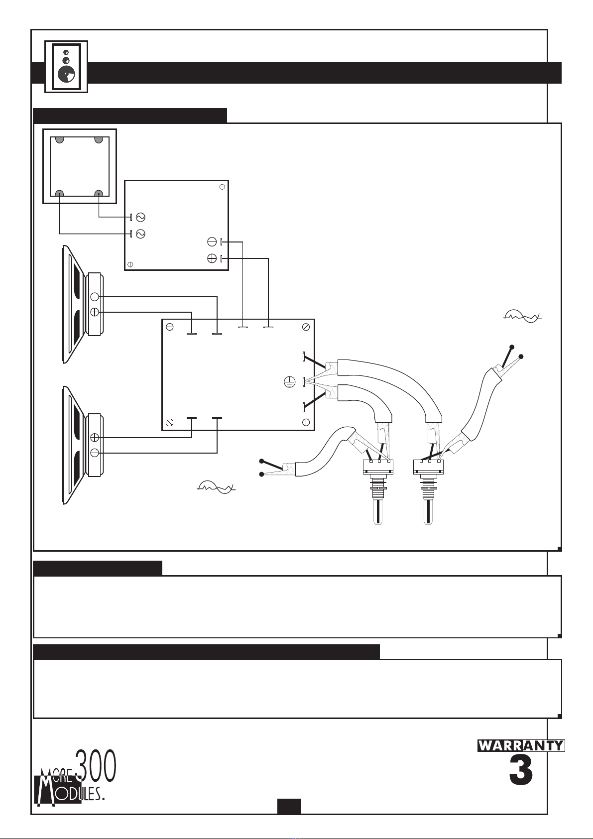
WIRING MAP.
POWER SUPPLY.
Verify that the assembly has been
well done
OPERATING.
Be careful to not confuse the input and the output audio
The ES-3 module had to be supplied by 12 VDC. Then, we recommend you our FE-2 module which
has been specially design for this circuit needs. Connect the positive terminal of the Power Supply to the positive pin
indicated in the drawing. Then, do the same operation with the negative terminal.
.
To connect input signals, you had to use shielded cable and parallel cable for loudspeakers. For the input
and output audio connections, power supply had to be disconnect.
to not damage the module.
Connect the right and left audio inputs according to the drawing. Connect both ground to the central terminal. Do the
same operation with right and left audio outputs and their ground.
TECHNICAL CHARACTERISTICS.
Voltage ......................................................................................................... 12 V. D.C.
Minimum Consumption ............................................................................... 10 mA.
Maximum Consumption .............................................................................. 50 mA.
Minimum Input Signal .................................................................................. 0’5 W.
Output Impedance .......................................................................................4-8Ohms
Protection Against Polarity Inversion ............................................................. Yes
Sizes .............................................................................................................. 55 x 40 x 15 mm.
1
MINIATURE STEREO POWER AMPLI.2x0,5W. ES-3 ES-3
ELECTRONIC CIRCUITS
Input Left
Output Left
Output Right
Input Right
ES-3
47 K 47 K