GENERAL FEATURES
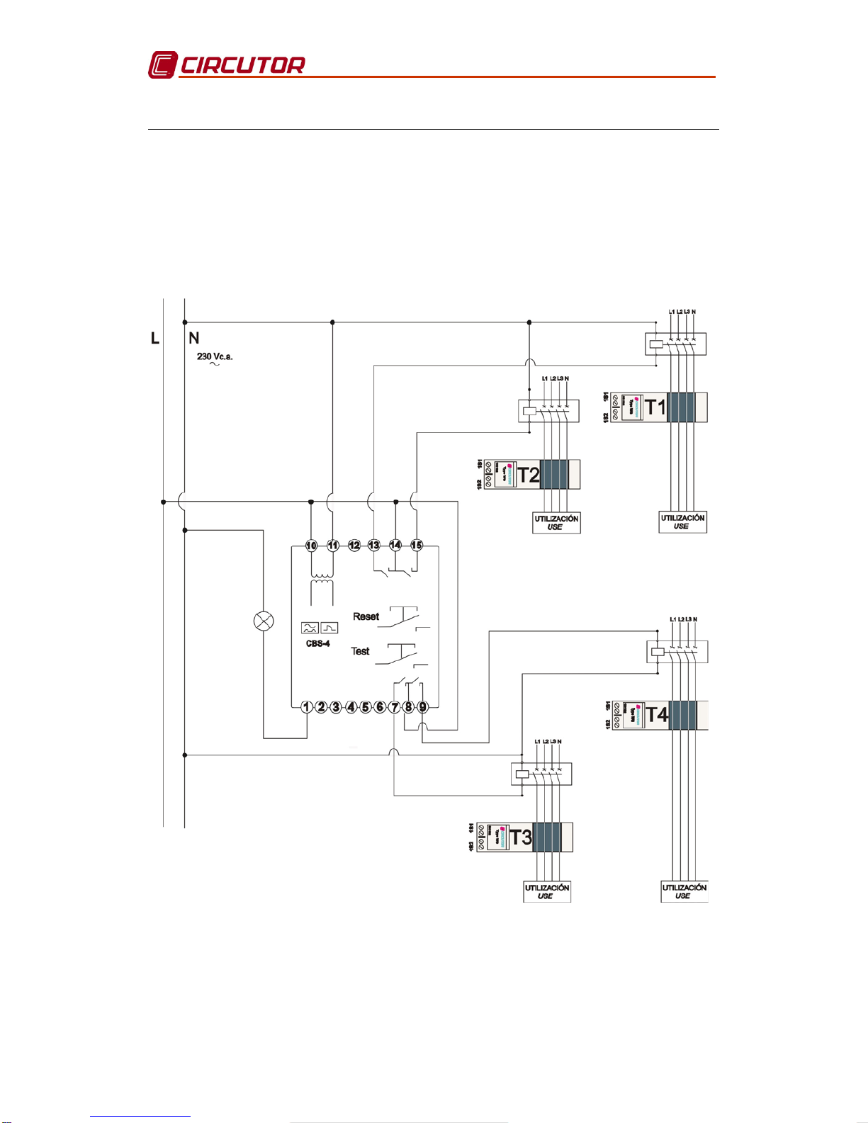
The CBS-4 earth leakage device is a type A programmable electronic earth leakage protection device
with 5 independent relays: 4 relays for controlling the circuit breaker elements of the four channels and
performing the protection and pre-alarm function, which has prevention and maintenance functions in the
installation.
It enables programming and adjustment of all the required parameters to obtain full maintenance
protection and control of the installation. A set of parameters can be configured via direct adjustments
using the keypad (buttons) and setup menus in the device.
Before starting up the earth leakage device, please read carefully the sections on power supply,
connection and programming.
The CBS-4 measures, calculates and displays the earth leakage
current of balanced or unbalanced three-phase industrial networks.
The measurement is made in RMS, via an earth leakage current
input, from the WG/WGS series exterior toroidal measuring
transformer.
In normal operating conditions, the main values that determine the
earth leakage protection of the installation, such as the sensitivity,
delay and instantaneous leakage current, are shown on the display.
We are aware of the high levels of prevention and maintenance required
for installations, and so have provided the device with a display and
indicator LEDs for any events that might arise.
Data displayed or indications of prealarms, trips, leakage readings, etc.
help provide us with enough information for good maintenance.
The backlit display is in green under normal operating conditions, but in the
case of any event causing a trip of the main relay, the display is backlit,
indicating the reason.
The version with RS - 485 communications and the adequate
software enable configuration, data and information centralisation to
obtain effective monitoring and control of the maintenance status of
our power lines.
Measurement of the earth leakage current from which the CBS-
4/CBS-4C acts by indicating the instantaneous leakage current, pre-
alarm or trip is determined by the earth leakage transformers of the
WG series. The interior diameter of the transformer is defined by the
dimensions of the installation wiring.