
FDX55 SERIES
RS-232/422 DROP AND REPEAT
DATA TRANSCEIVER
INSTALLATION INSTRUCTIONS
1) ANTI-STREAMING SELECT SWITCH
The anti-streaming function is provided to protect the communications channel in the
event that a controller should go into a streaming or data-storming condition.
If the anti-streaming is to be used, it must be set to a setting that will exceed the longest
possible data transmission time that will exist on that channel. It should be noted that in
most installations, the anti-streaming will not be utilized and the switch should be left in the
factory default “Off” position. See Pg. 11, Fig.18.
2) DTE/DCE SELECT SWITCH
The purpose of this switch is to transpose the RS-232 data transmit and data receive signals.
Normally, this switch will be left in the factory default “DCE” position.
See Pg. 9, Fig.12 through Fig. 15.
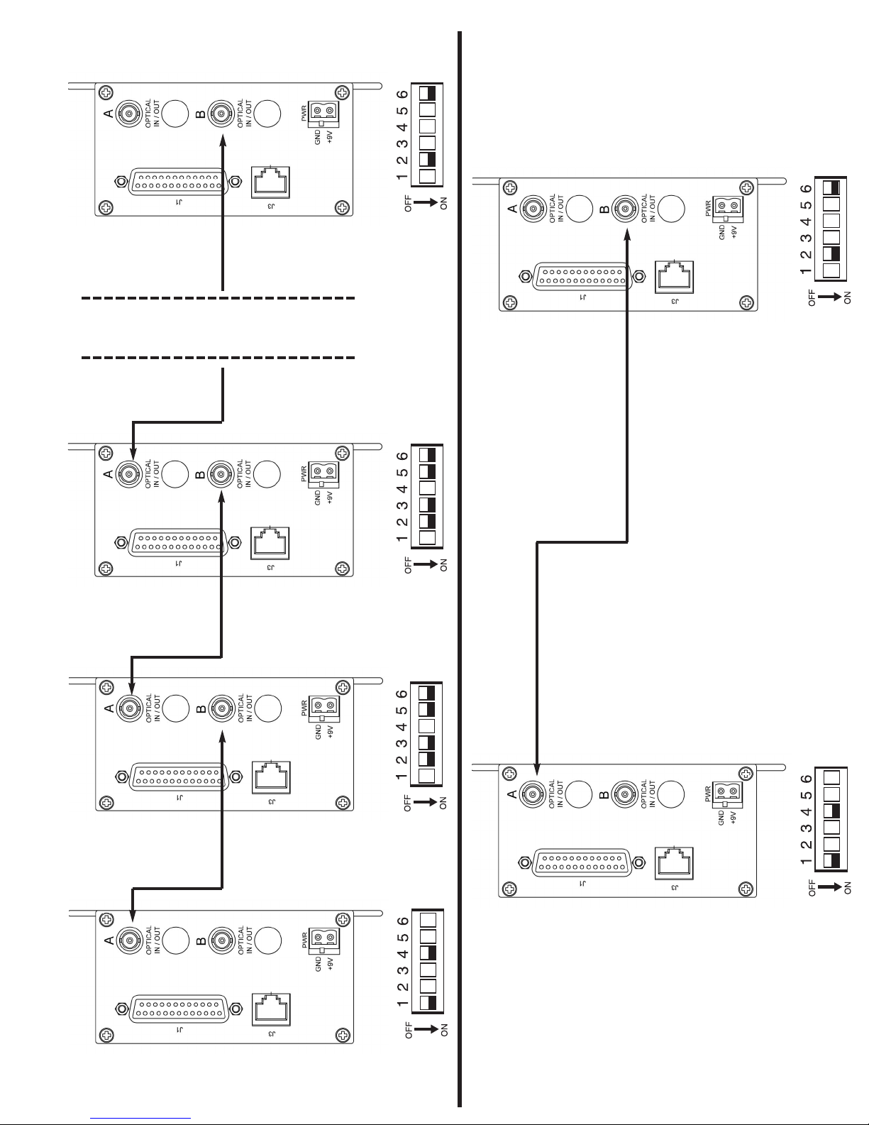
3) LINKING PORT, J3
J3 is an RJ-11 connector utilized for electrically connecting two co-located FDX55 units.
For example, at some point on an east-to-west communications channel, it may be desired to
extend the channel in the north-to-south direction. Asecond FDX55 may be added in the same
cabinet as another existing FDX55, and the second unit would be utilized for extending the
channel in the north-to-south direction. A conventional straight-through interconnect cable
terminated at each end with RJ-11 connectors is required when connecting the two FDX55
units. It is desirable to keep the length of this cable as short as possible, so as to minimize
any possibility of stray electrical pick-up corrupting the quality of the data, which could
result in data errors. See Pg. 8, Fig. 11 and Pg. 10, Fig. 17.
4) A/B SELECT SWITCH
The purpose of this switch is to transpose the data transmit and data receive signals when
connecting two co-located FDX55 units utilizing the J3 expansion port and a straight-through
data interconnect cable. One FDX55 will be set to “A” and the second FDX55 will be set to “B”.Ifa
cross over cable is used, then both FDX55s would be set to “A”. This interconnect cable should be
kept as shortas possible toeliminateEMI/RFI noise injection. Refer to Figure 1 for
typical configuration. Factory default for this switch is “A”. See Pg. 1, Fig.1.
INS_FDX55_REVB
01/22/09
Page 2
Power Sources - The productshould only beoperated from the recommended power source.
Use only a UL Class 2 indoor/dry or Class 3 outdoor/wet power supply.
WARNING: Unit is to beused with a Listed Class 2 or LPS power supply rated 9-12 VDC @ 1A.
WARNING: This unit should beinstalled in a restricted access location; available through the use
of a lock and key or other means of security. Access should be limited to service personnel who
have been instructed about the reasons for the restrictions to the location. Any and all
precautions should be taken and controlled by the authority responsible for the location.