
2 – CXA240
1. SAFETY INSTRUCTIONS
1. Read these instructions.
2. Keep these instructions.
3. Heed all warnings.
4. Follow all instructions.
5. Do not use this apparatus near water.
6. Clean only with dry cloth.
7. Do not block any ventilation openings. Install in
accordance with the manufacturer’s instructions.
8. Do not install near any heat sources such as radiators,
heat registers, stoves, or other apparatus (including
ampliers) that produce heat.
9. Do not defeat the safety purpose of the polarized or
grounding-type plug. A polarized plug has two blades with
one wider than the other. A grounding type plug has two
blades and a third grounding prong. The wide blade or the
third prong are provided for your safety. If the provided
plug does not t into your outlet, consult an electrician for
replacement of the obsolete outlet.
10. Protect the power cord from being walked on or pinched
particularly at plugs, convenience receptacles, and the
point where they exit from the apparatus.
11. Only use attachments/accessories specied by the
manufacturer.
12. Use only with the cart, stand, tripod,
bracket, or table specied by the
manufacturer, or sold with the
apparatus. When a cart is used, use
caution when moving the cart/
apparatus combination to avoid injury
from tip-over.
TABLE OF CONTENTS
1. SAFETY INSTRUCTIONS ...................................................2
2. INTRODUCTION..................................................................3
KEY FEATURES............................................................3
APPLICATIONS ...........................................................3
3. FRONT PANEL FEATURES .................................................4
4. REAR PANEL FEATURES....................................................5
5. THERMAL CONSIDERATIONS ..........................................8
6. CONNECTIONS ...................................................................8
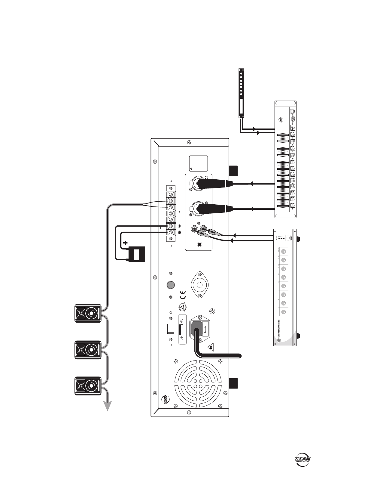
7. TYPICAL HOOKUP DIAGRAM...........................................9
8. SPECIFICATIONS..............................................................10
BLOCK DIAGRAM.....................................................11
9. SERVICE INFORMATION .................................................11
10. EAW COMMERCIAL WARRANTY ................................11
13. Unplug this apparatus during lightning storms or when
unused for long periods of time.
14. Refer all servicing to qualied service personnel. Servicing
is required when the apparatus has been damaged in any
way, such as power-supply cord or plug is damaged, liquid
has been spilled or objects have fallen into the apparatus,
the apparatus has been exposed to rain or moisture, does
not operate normally, or has been dropped.
15. This apparatus must be connected to a mains socket outlet
with a protective earthing connection (the third grounding
prong).
16. This apparatus has been equipped with an all-pole, rocker-
style AC mains power switch. This switch is located on the
front panel and should remain readily accessible to the user.
WARNING: To reduce the risk of re or electric shock, do
not expose this apparatus to rain or moisture.
WARNING: The 70 V and 100 V output terminals are
potentially HAZARDOUS and any external wiring connected
to these terminals requires installation by an INSTRUCTED
PERSON or the use of ready-made leads or cords.
WARNING: This equipment has been designed to be
installed by qualied professionals only! There are many
factors to be considered when installing professional
sound reinforcement systems, including mechanical and
electrical considerations, as well as acoustic coverage and
performance. EAW Commercial strongly recommends that
this equipment be installed only by a professional sound
installer or contractor.
Part No. 0010172 Rev. A 05/04
© 2004 LOUD Technologies Inc. All Rights Reserved. Printed in China.
CAUTION AVIS
RISK OF ELECTRIC SHOCK • DO NOT OPEN
RISQUE DE CHOC ELECTRIQUE
NE PAS OUVRIR
CAUTION: TO REDUCE THE RISK OF ELECTRIC SHOCK
DO NOT REMOVE COVER (OR BACK)
NO USER-SERVICEABLE PARTS INSIDE
REFER SERVICING TO QUALIFIED PERSONNEL
ATTENTION: POUR EVITER LES RISQUES DE CHOC
ELECTRIQUE, NE PAS ENLEVER LE COUVERCLE. AUCUN
ENTRETIEN DE PIECES INTERIEURES PAR L'USAGER. CONFIER
L'ENTRETIEN AU PERSONNEL QUALIFIE.
AVIS: POUR EVITER LES RISQUES D'INCENDIE OU
D'ELECTROCUTION, N'EXPOSEZ PAS CET ARTICLE
A LA PLUIE OU A L'HUMIDITE
The lightning flash with arrowhead symbol within an equilateral triangle is
intended to alert the user to the presence of uninsulated "dangerous voltage"
within the product's enclosure, that may be of sufficient magnitude to constitute
a risk of electric shock to persons.
Le symbole éclair avec point de flèche à l'intérieur d'un triangle équilatéral est
utilisé pour alerter l'utilisateur de la présence à l'intérieur du coffret de "voltage
dangereux" non isolé d'ampleur suffisante pour constituer un risque d'éléctrocution.
The exclamation point within an equilateral triangle is intended to alert the user
of the presence of important operating and maintenance (servicing) instructions
in the literature accompanying the appliance.
Le point d'exclamation à l'intérieur d'un triangle équilatéral est employé pour
alerter les utilisateurs de la présence d'instructions importantes pour le fonction-
nement et l'entretien (service) dans le livret d'instruction accompagnant l'appareil.