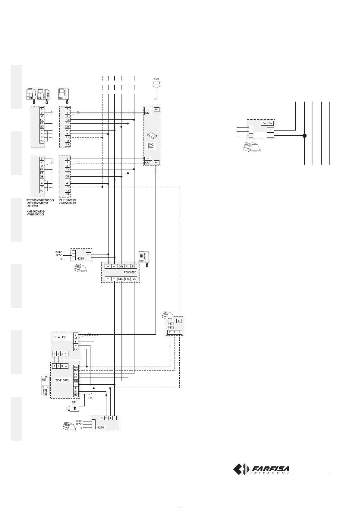
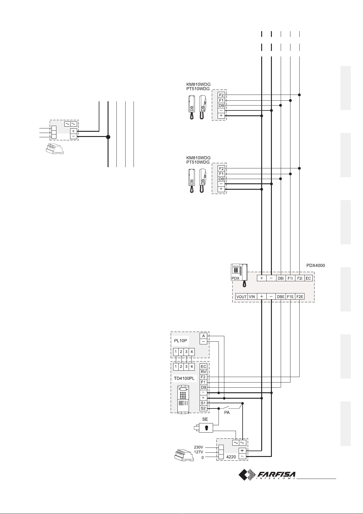
TD4100PL
premereiltasto perconfermaree
passare al successivo (vedere ta-
bella dei codici e relative descrizio-
ni);
confermatoilvaloredell'ultimocodi-
ce (bit 7) sul display appare
"Pro-
gramming / type: "
;
proseguire inserendo il codice di
una nuova programmazione o usci-
re premendo nuovamente il tasto
PROG.
- Abilitazione modalità di chiamata
alfanumerica (bit 4)
Se l'impianto è diviso in più blocchi,
potrebbe essere utile individuare ogni
bloccoconunaletterapiuttostocheun
numero(es. bloccoA, bloccoB, ecc.).
Programmandoquesta modalità ope-
rativa le cifre delle migliaia vengono
visualizzate come lettere (1=A, 2=B,
3=C, 4=D, 5=E, 6=F, 7=G, 8=H, 9=I,
0=J) anziché come numeri. Si tratta
solodiunamodalitàdi visualizzazione
inquantoicodiciinviatiagliutentisono
semprecodicinumerici(infatti,all'uten-
teidentificatocomeB001corrisponde
il codice 2001 e tale codice deve es-
sereprogrammatonelcitofono,video-
citofono o modulo di decodifica di pia-
no).E'importantenotarecheses'inse-
risceuncodicealfanumericoconmeno
di 4 cifre, il sistema completa il codice
aggiungendo degli zeri; per esempio
digitandoilsolocodice'E'epremendo
il tasto , il sistema visualizza il codi-
ce E000 ed invia il codice 5000. Allo
stesso modo se si digita il codice E2
viene visualizzato E002 ed inviato il
codice 5002; quindi se si desidera
individuare un'utente con il codice E2,
il suo apparecchio deve essere codifi-
cato 5002.
Creazione scritta iniziale
personalizzata (
codice 04
)
Consente la modifica della scritta visi-
bile sul display durante il normale fun-
zionamento o a riposo.
Per la visualizzazione occorre pro-
grammare il bit 4 o il bit 5 con il valore
"1" (vedere il capitolo "programma-
zioni di sistema").Perinserirelascrit-
tapersonalizzataoccorre:
entrare nella modalità programma-
zione premendo il tasto PROG;
inserire il codice 04 e premere il
tasto ; sul display appare
"
FARNET
", se mai programmato,
oppure la scritta da sostituire;
per la modalità d'inserimento dei
caratteri vedere il capitolo "inseri-
mento dei nominativi";
premereiltasto perconfermare;sul
displayappare
"Programming/type:";
proseguire inserendo il codice di una
nuova programmazione o uscire pre-
mendo nuovamente il tastoPROG.
Caricamento nominativi da PC
(co-
dice 05)
La seguente procedura permette il
caricamentodeinominatividirettamente
dal Personal Computer.
Caricare tutti i nominativi sul Personal
Computer utilizzando un programma
dedicato
(Software fornibile a richie-
sta).
Spegnere la pulsantiera e il Personal
Computer.
Collegare la porta seriale del PC alla
presa stereo PC presente sul retro
della pulsantiera con un cavetto colle-
gato come in figura.
Accendere il PC e poi la pulsantiera.
Inserire il codice 05 e premere il tasto
; sul display appare "
TD4100PL ---
- PC / in progress ....0
".
Entro 15 secondi scaricare dal PC i
nominativi; sul display appare in se-
quenza "
TD4100PL ---- PC / in
progress....1
", "
TD4100PL ---- PC / in
progress....2
",poivengonovisualizzati
tutti i nominativi scaricati.
Al termine del trasferimento dei nomi-
nativilapulsantieraprovvederàa can-
cellare gli eventuali nominativi prece-
dentementeinseriti,visualizzandosul-
laprimarigadeldisplay"
waiting
",men-
tre sulla seconda una barra di stato
indicantel'avanzamentodellacancel-
lazione; al termine appare
"Program-
ming / type: "
.
Spegnere la pulsantiera e poi il PC.
ScollegaredalPCedallapulsantierail
cavetto.
Ordinamento nominativi
(codice 06)
Consente di ordinare in modo alfabetico
(da A a Z) i nominativi immessi.
Entrarenellamodalitàprogrammazio-
ne premendo il tasto PROG.
Inserire il codice 06 e premere il tasto
; sulla prima riga del display appare
"
waiting
",sullasecondal'avanzamen-
to di una barra di stato; al termine si
ritorna automaticamente in modalità
programmazioni (sul display appare
"Programming / type: "
).
Premere il tasto PROG per uscire dal-
laprogrammazione.
Inserimento indirizzo Posto Ester-
no PE (
codice 10
)
In questa fase è possibile codificare l'in-
dirizzodelpostoesternoconcodicicom-
presi tra 9950 e 9979.
entrarenellamodalitàprogrammazio-
ne premendo il tasto PROG;
inserire il codice 10 e premere il tasto
; sul display appare "
ADDRESS
PE
".
comporre il numero di codifica scelto
perilpostoesterno e confermarlopre-
mendo il tasto
proseguire inserendo il codice di una
nuova programmazione o uscire pre-
mendo nuovamente il tasto PROG.
Inserimento indirizzo pulsante P1
(
codice 11
)
Per memorizzare il numero di un interno
chepotrà essere chiamatodirettamente
daun pulsantecollegatotraimorsettiP1
e - occorre:
entrarenellamodalitàprogrammazio-
ne premendo il tasto PROG;
inserire il codice 11 e premere il tasto
; sul display appare "
ADDRESS
P1
";
comporre il numero dell'interno desi-
derato.Gliinternidevonoesserecodi-
ficati con numeri compresi tra 0000 e
9899;
premere il tasto per confermare la
programmazione;
uscire premendo nuovamente il tasto
PROG.
Ritorno alla modalità funzionamen-
to
Alla fine di tutte le programmazioni pre-
mere il tasto PROG; sul display appare
"
FARFISA / comporre numero o preme-
re
" o l'eventuale scritta impostata in
fasedi programmazione(vedere "Crea-
zione scritta iniziale personalizzata").