
CONTENTS
REMOVAL AND ATTACHMENT OF EXTERNAL PARTS ......................................................2-5
FACE PLATE (UNIT) AND TOP COVER (UNIT) ..................................................................2
BELT COVER.......................................................................................................................3
BASE AND BED COVER (UNIT)..........................................................................................4
FRONT PANEL (UNIT) .........................................................................................................5
ADJUSTMENT PART/REPLACEMENT .............................................................................6 -27
CORRECTION OF STAGGERED STRAIGHT STITCH ......................................................6
ADJUSTMENT OF TIMING OF LATERAL NEEDLE SWING................................................7
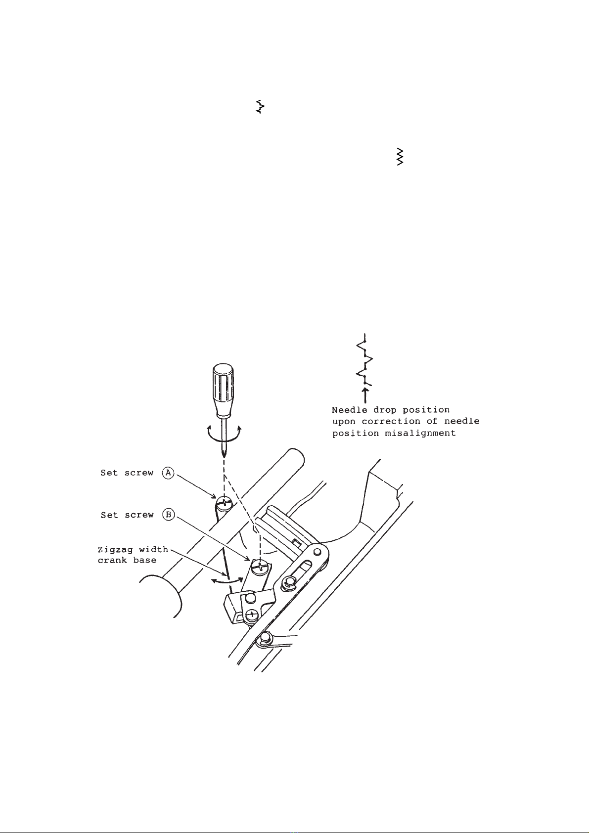
CORRECTION OF NEEDLE POSITION MISALIGNMENT .................................................. 8
ADJUSTMENT OF NEEDLE DROP POSITION IN NEEDLE PLATE HOLE ....................... 9
ADJUSTMENT OF ZIGZAG STOPPER ............................................................................. 10
ADJUSTMENT OF PRESSER BAR DIRECTION AND HEIGHT ....................................... 11
ADJUSTMENT OF CLEARANCE BETWEEN NEEDLE AND ROTARY HOOK ................ 12
ADJUSTMENT OF BACKLASHES BETWEEN HOOK DRIVE SHAFT
GEAR AND LOWER SHAFT GEAR................................................................................... 13
ADJUSTMENT OF NEEDLE BAR HEIGHT........................................................................ 14
ADJUSTMENT OF HOOK TIMING ..................................................................................... 15
ADJUSTMENT OF FEED DOG HEIGHT ........................................................................... 16
ADJUSTMENT OF STRETCH STITCH FEED BALANCE ................................................. 17
ADJUSTMENT OF ZERO FEEDING.................................................................................. 18
ADJUSTMENT OF BUTTONHOLE FEED BALANCE .......................................................19
ADJUSTMENT OF BUTTONHOLE FUNCTION................................................................. 20
REPLACEMENT OF BH LEVER (UNIT) ............................................................................ 21
ADJUSTMENT OF NEEDLE THREAD TENSION ............................................................. 22
REPLACEMENT OF THREAD TENSION DIAL (UNIT)...................................................... 23
ADJUSTMENT OF THREAD TENSION RELEASING MECHANISM.................................. 24
ADJUSTMENT OF THREADER (1) ................................................................................... 25
ADJUSTMENT OF THREADER (2) ................................................................................... 26
REPLACEMENT OF THREADER PIN............................................................................... 27
1