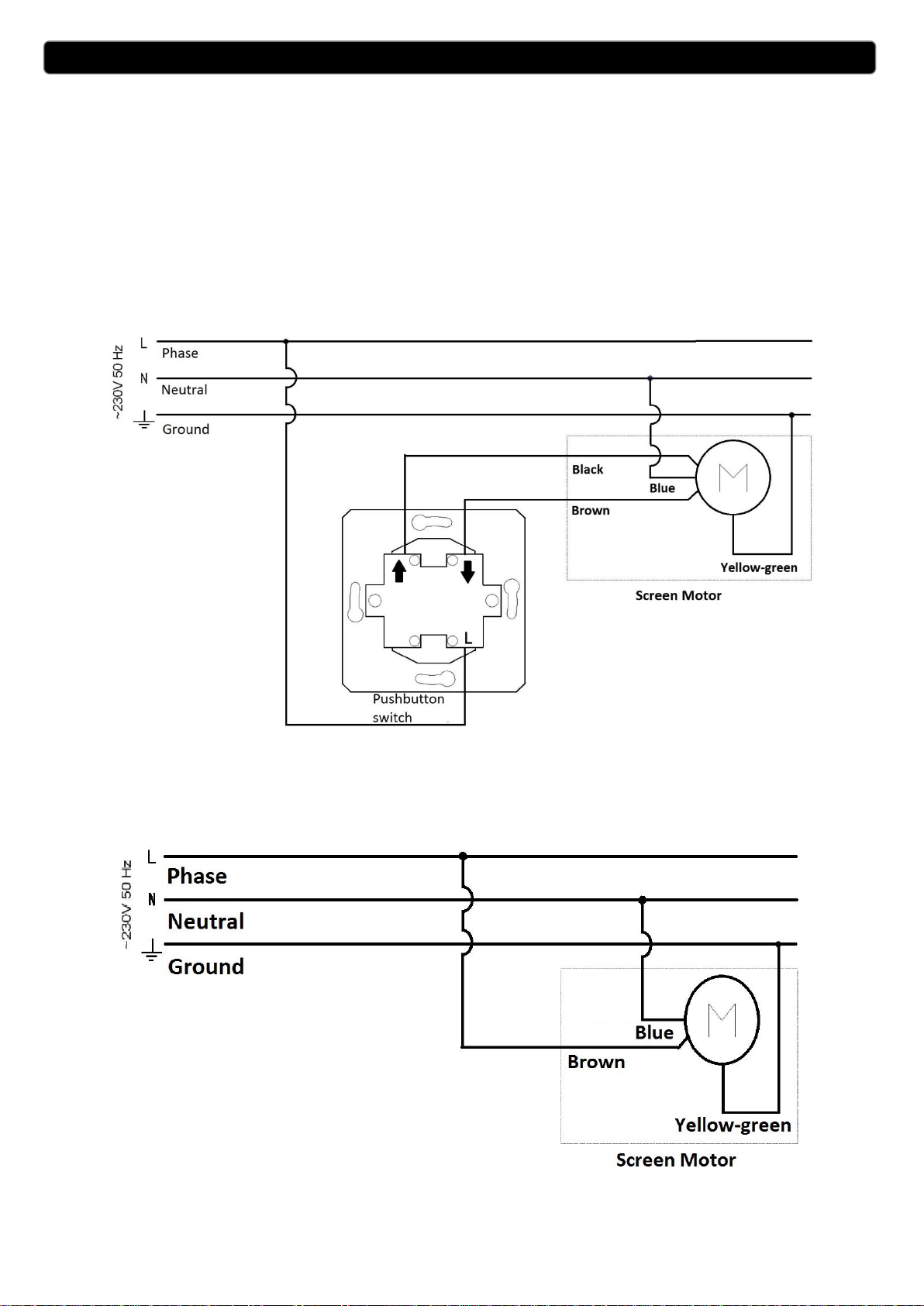
Kauber MIDI Bedienungsanleitung
Andere Kauber Projektionsfläche Handbücher

Kauber
Kauber Red Label Bedienungsanleitung

Kauber
Kauber INCEILING XL Bedienungsanleitung

Kauber
Kauber BLUE LABEL Bedienungsanleitung

Kauber
Kauber FRAME LITE Series Bedienungsanleitung

Kauber
Kauber FRAME Series Bedienungsanleitung

Kauber
Kauber CLR Bedienungsanleitung

Kauber
Kauber Blue Label XL Bedienungsanleitung

Kauber
Kauber InCeiling Bedienungsanleitung

Kauber
Kauber FRAME Series Bedienungsanleitung
Beliebte Projektionsfläche Handbücher anderer Marken

FART PRODUKT
FART PRODUKT Standard SCREEN Bedienungsanleitung

Draper
Draper E Series Handbuch

Elite Screens
Elite Screens Elite Tripod Series Bedienungsanleitung

Laarhoven
Laarhoven Companion II Bedienungsanleitung

Renogy
Renogy RMS-LFPS-US Bedienungsanleitung

Da-Lite
Da-Lite ExecutiveElectrol Bedienungsanleitung





















