
IT EN FR ES
5
Madas Technical Manual - 9|9.4 - REV. 0 of 8th Feb 2019 MTC10
4.0 CICLO DI FUNZIONAMENTO STANDARD
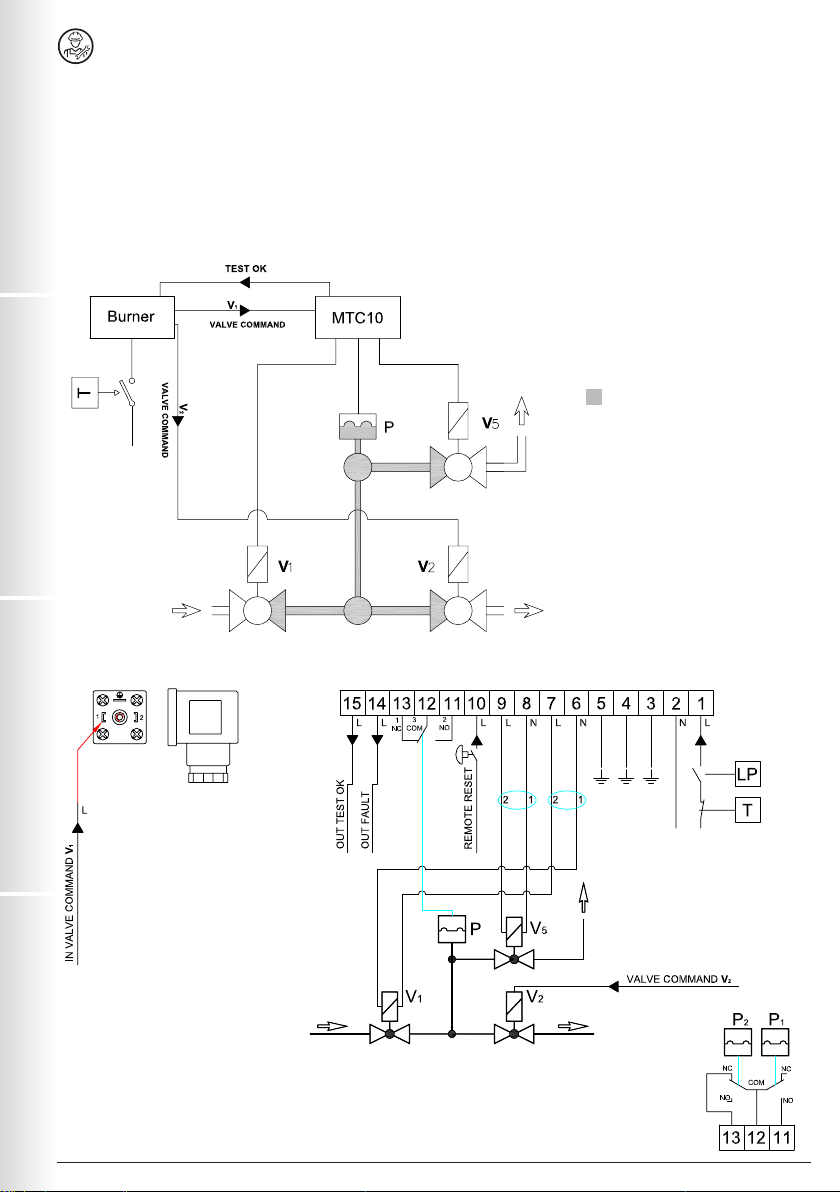
Il compito del dispositivo è quello di effettuare il test di tenuta delle valvole prima dell’avvio del bruciatore.
Con l’ausilio di uno o due pressostati l’MTC10 monitorizza la pressione all’interno del tratto di prova (volume compreso tra la
sede della valvola V1e la sede della valvola V2).
Il ciclo di funzionamento può essere seguito sul display secondo quanto riportato in tabella n°1.
Il ciclo di test ha una durata di circa 60s ed ha inizio quando il dispositivo viene alimentato elettricamente oppure quando,
dopo un blocco, viene premuto il punsante di reset.
Nella fase iniziale la scheda esegue un self test interno:
• Test Led: Accensione simultanea di tutti i led presenti sul dispositivo. Ha una durata di 2 s.
• Verifica configurazione: Verifica il tipo di configurazione scelta in accordo con quanto riportato all’interno del
paragrafo “tipologia di funzionamento”. Ha una durata di 2 s.
• Verifica blocco: Verifica della presenza di un blocco.
• Verifica relays: Verifica dei contatti dei relays che comandano le elettrovalvole. Ha una durata di 6 s.
Ultimato il self test interno inizia la sequenza di test valvole.
Durante tutta la sequenza di test il led n°4 rimane acceso con luce rossa lampeggiante.
• Test V1
Viena aperta la valvola V2per max 3 s. Tale operazione viene detta Deareazione. La pressione all’interno del tratto di
prova deve scendere al valore della pressione nella camera di combustione.
Durante i successivi 20 s (Stabilizzazione) viene monitorata la pressione all’interno del tratto di prova.
Se la pressione rimane inferiore alla taratura del pressostato, la valvola V1 è considerata a tenuta ed il test prosegue.
Se la pressione sale oltre il valore di taratura del pressostato significa che è
presente una perdita della valvola V
1
ed è
attivato il relè uscita guasto (morsetto ).
• Test V2
Viene aperta la valvola V1per max 3 s, tale operazione viene detta Riempimento.
La pressione all’interno della camera di test deve salire al valore della pressione di ingresso.
Durante i successivi 20 secondi (Stabilizzazione) viene monitorata la pressione all’interno della camera di test.
Se la pressione rimane superiore alla taratura del prossostato, la valvola V2è considerata a tenuta ed il test è terminato.
Se la pressione scende oltre il valore di taratura del pressostato significa che è presente una perdita sulla valvola V2ed
è attivato il relè uscita guasto
(morsetto ).
Test OK
Superati i test di tenuta delle valvole viene attivato il relè di uscita test OK (morsetto ) ed il dispositivo rimane in attesa del
consenso per l’apertura delle valvole, fase identificata dall’accensione con luce verde lapeggiante del led “OK”.
In presenza dei segnali di apertura valvole viene acceso il Led “OK” con luce verde fissa.
Il comando alle valvole viene fornito secondo la configurazione scelta.
In caso di dearezione o riempimento non riusciti il dispositivo tenterà di ripetere nuovamente tali operazioni. Dopo 5 tentativi
falliti il dipositivo entra in blocco, segnalando la perdita della valvola che si sta testando in quella fase del ciclo.
= Test volume