
2
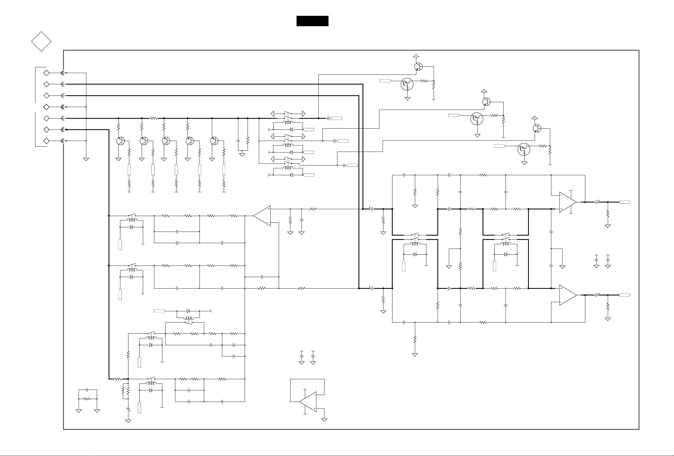
1. Unless otherwise noted, all voltages indicated on the
schematics are measured under the following conditions:
a. AC input at rated voltage marked on rear panel.
b. All voltages are +/-10% with respect to ground. A
high impedance (10 megaohm) voltmeter must be used.
2. Unlessotherwisespecied:
a. Resistor values are in ohms.
b. Capacitor values are microfarads (uF).
c. Inductor values are in microhenries (uH)
3. On PC board drawings, Square pad indicates:
a. Polarized Capacitors - Positive
b. Diodes - Cathode
c. Others - Pin 1
4. WARNING
Parts marked with the symbol have critical
characteristics. Use only replacement parts recom-
mended by the manufacturer.
5. Use McIntosh Remote Control Model HR090.
NOTES
PERFORMANCE SPECIFICATIONS
Frequency Response
±0.2dB from 20Hz to 20,000Hz
+0.2, -3dB from 10Hz to 50,000Hz
Total Harmonic Distortion
0.005% maximum from 20Hz to 20,000Hz (Line In)
0.02% maximum from 20Hz to 20,000Hz (Phono In)
Rated Output
4V Balanced
2V Unbalanced
Maximum Voltage Output
20V RMS Balanced
10V RMS Unbalanced
Sensitivity (for rated output)
Phono MM - 10mV
Phono MC - 1.25mV
Line In - 2V Unbalanced
Line In - 4V Balanced
Signal To Noise Ratio (A-Weighted)
Phono MM - 84dB below 5mV input
Phono MC - 80dB below 0.5mV input
Line In - 118dB below rated output
Input Impedance
Phono MM and MC - 25, 50, 100, 200, 400, 1k or 47K
ohms and 50 to 400pf in 50pF steps
Line In - 50k Unbalanced, 100k Balanced
Maximum Input Signal
Phono MM - 100mV
Phono MC - 10mV
Line In - 10V Unbalanced
Line In - 20V Balanced
Voltage Gain
Phono MM and MC - Selectable 40dB, 46dB, 52dB
58dB or 64dB
Line In - 0dB
Output Impedance
100 ohms Unbalanced
200 ohms Balanced
Phono Equalization
RIAA, LP, NAB, AES or 78
Noise Filters
Rumble: -3dB at 50Hz, Slope 24dB per Octave
Scratch: -3dB at 6,000Hz, Slope 12dB per Octave
Digital Outputs
Coaxial, Optical, USB
Digital Output Sample Rates
PCM - 24Bit 96kHz or 192kHz
Power Control (Trigger)
Maximum Input and Output Signal 12VDC, 25mA
Tube Compliment
Four 12AX7A, two per channel
Power Requirements
Field AC Voltage conversion of the MP1100 is not pos-
sible. The MP1100 is factory congured for one of the
following AC Voltages:
100 Volts, 50/60Hz at 50 watts
110 Volts, 50/60Hz at 50 watts
120 Volts, 50/60Hz at 50 watts
220 Volts, 50/60Hz at 50 watts
230 Volts, 50/60Hz at 50 watts
240 Volts, 50/60Hz at 50 watts
Standby Power, less than 0.5 watts
Note: Refer to the rear panel of the MP1100 for the correct
voltage.
Overall Dimensions
Width is 17-1/2 inches (44.5cm)
Height is 6 inches (15.2cm) including feet
Depth is 19 inches (48.3cm) including the Front Panel,
Knobs and Cables
Weight
26 pounds (11.8 kg) net, 41 pounds (18.6 kg) in shipping
carton
Shipping Carton Dimensions
Width is 27 inches (68.6cm)
Height is 12 inches (30.5cm)
Depth is 25 inches (63.5cm)