
2
1 Specifications
Part No. 4028000
Power 230voltsinglephaseunit
withuserselectable25or40ampdraw
Water 344pints/day(43Gallons)
Removal @AHAM(80°F,60%)
Blower 900CFMProcessAirow
300CFMReactAirow
Operating -10ºFto140ºF
Range
Duct Process/ReactInlet:12”exduct(optional)
Options ProcessOutlet:8”exductorlayatx2
ReactivationOutlet:8”exduct(required)
Warranty 1yearPartsandService
Dimensions
Machine
Width 26.5”
Height 35”
Depth 45”
Weight 265lbs
Popular Accessories And Replacement Parts
4020550 24”x12”x2”PleatedMediaMERV-7
4024750 12”x25’FlexDuct
4024935 10”x250’Lay-atDuct
4024440 Kestrel3000Multi-Meter
2 Operation
Thefunctionofthedehumidieristoremovemoisture(in
thevaporstate)fromanairstream.Thisisaccomplished
byexposingtheairtoanadsorbingmedia(desiccant)in
asealedairstream(process).Afterthedesiccanthas
adsorbedmoisture,itisexposedtoasecondairstream
atanelevatedtemperature(reactivation).Thiscauses
themoisturetobedrivenoutofthedesiccantpreparingit
formoremoistureadsorption.Thisprocessisdoneona
continuousbasis,providingaconstantdryingprocess.
Thetwoairstreams(processandreactivation)areseparated
byseals,whichcontactthedesiccantmedia.Figure“A”
illustratestherelationshipofthesealsandairowpattern.
Thedehumidierisdesignedwiththetwoairstreamsowing
inoppositedirections(counterow)therebymaximizingthe
energyefciencyoftheequipment.
Table of Contents
Introduction......................................................................... 1
1. Specifications................................................................ 2
2. Operation......................................................................2
3. Installation Instructions..................................................3
3.1Inspection...............................................................3
3.2PlacingTheMachine................................................ 3
3.3Electrical.................................................................3
3.4DuctWork...............................................................3
4. Operating Instructions.................................................... 3
4.1Airow....................................................................3
4.2DesiccantWheelRotation........................................3
5. Start-Up........................................................................ 3
5.1ManualOperation....................................................3
5.2AutomaticOperation................................................ 3
5.3Make-UpAirVent.....................................................4
6. Controls........................................................................4
6.1ControlSwitch......................................................... 4
6.2High/LowSwitch.....................................................4
6.3UnitRunLight......................................................... 4
6.4Humidistat.............................................................. 4
6.5ElectricReactivationControls................................... 4
7. Dehumidifier Maintenance Instructions............................4
7.1GeneralMaintenance...............................................4
7.2Cabinet................................................................... 4
7.3Filter....................................................................... 4
7.4FanandMotor.........................................................4
8. Drive Motor................................................................... 5
8.1RotorDriveBelt.......................................................5
8.2Seals......................................................................5
8.3DesiccantMedia......................................................5
9. Dehumidifier Service Instructions....................................5
9.1RemovingDesiccantRotor........................................5
9.2ChangingSeals....................................................... 5
9.3InstallingSeals........................................................5
9.4Troubleshooting....................................................... 6
10. Service Parts.................................................................7
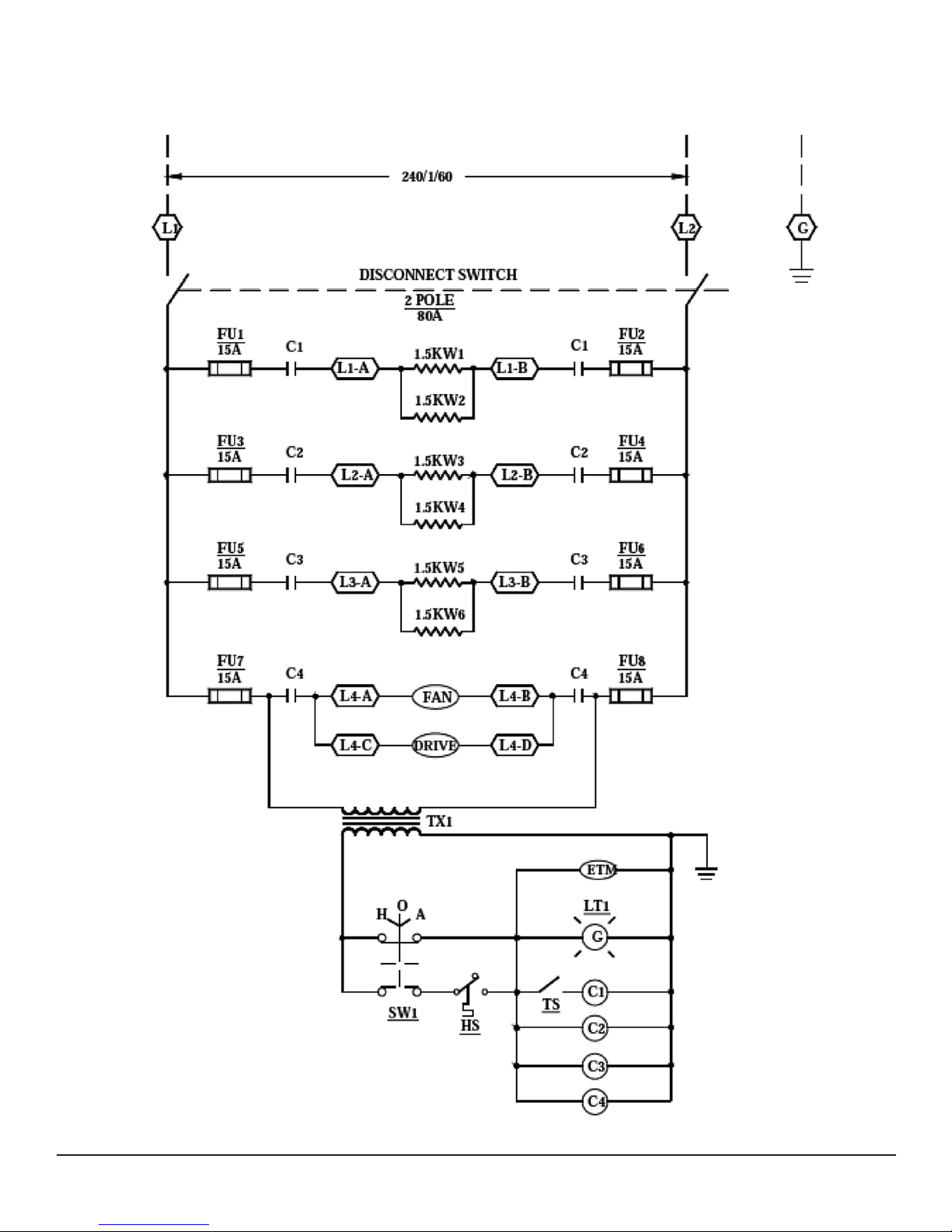
11. Wiring Diagram............................................................. 8
Warranty.......................................................................9
SerialNo._________________________________________
PurchaseDate_________/_________/_________
Dealer’sName_____________________________________
Read the operation and maintenance instructions carefully before
using this unit. Proper adherence to these instructions is essential
to obtain maximum benefit from your Phoenix 1200 dehumidifier.
•ItisdesignedtobeusedINDOORS ONLY.
•Ifusedinawetarea,plugitintoaGROUND FAULT
INTERRUPTER.
•DO NOTusethePhoenix1200asabenchortable.
•Itmustalwaysbeusedintheuprightposition.