
LuMIN8 Installation Instructions
provided by the on-board battery.
Stand Alone Mode (SW5 OFF):
Negative Tamper Return to the GT
(NovaActive) control panels.
BUS (Serial) Mode (SW5 ON and SW6
OFF):
This terminal will be used as a data
output to the GT panel.
Stand Alone Mode (SW5 OFF):
Negative trigger terminal for the strobe
light. Power for the strobe is provided by
the Ni-MH battery.
BUS (Serial) Mode (SW5 ON):
STB- connection is not required in Serial
Mode.
Stand Alone Mode (SW5 OFF):
Link this terminal to 0V by setting SW8 to
ON position.
BUS (Serial) Mode (SW5 ON):
No connection required.
Stand Alone Mode (SW5 OFF):
Terminal will activate (0V low) for battery
fault, low panel volts or Sounder Piezo
Head Failure (also strobe flashes rapidly).
BUS (Serial) Mode (SW5 ON):
No connection required.
Stand Alone Mode (SW5 OFF):
A positive signal to this terminal will
activate the Setting Confirmation Sound.
BUS (Serial) Mode (SW5 ON):
No connection required.
Connect these terminals in BUS mode configuration to the ProSYS Freecom.
Connect point to point according to the indicated colours.
Stand Alone Mode (SW5 OFF) or
GT BUS Mode (SW5 ON and
SW6OFF):
This terminal is for activating the
external LAMP. The LAMP is
activated when it is connected
between LAMP and Hold -.
Pro BUS (Serial) Mode (SW5 and SW6 ON ):
Lamp controlled from ProSYS BUS, no
connection required.
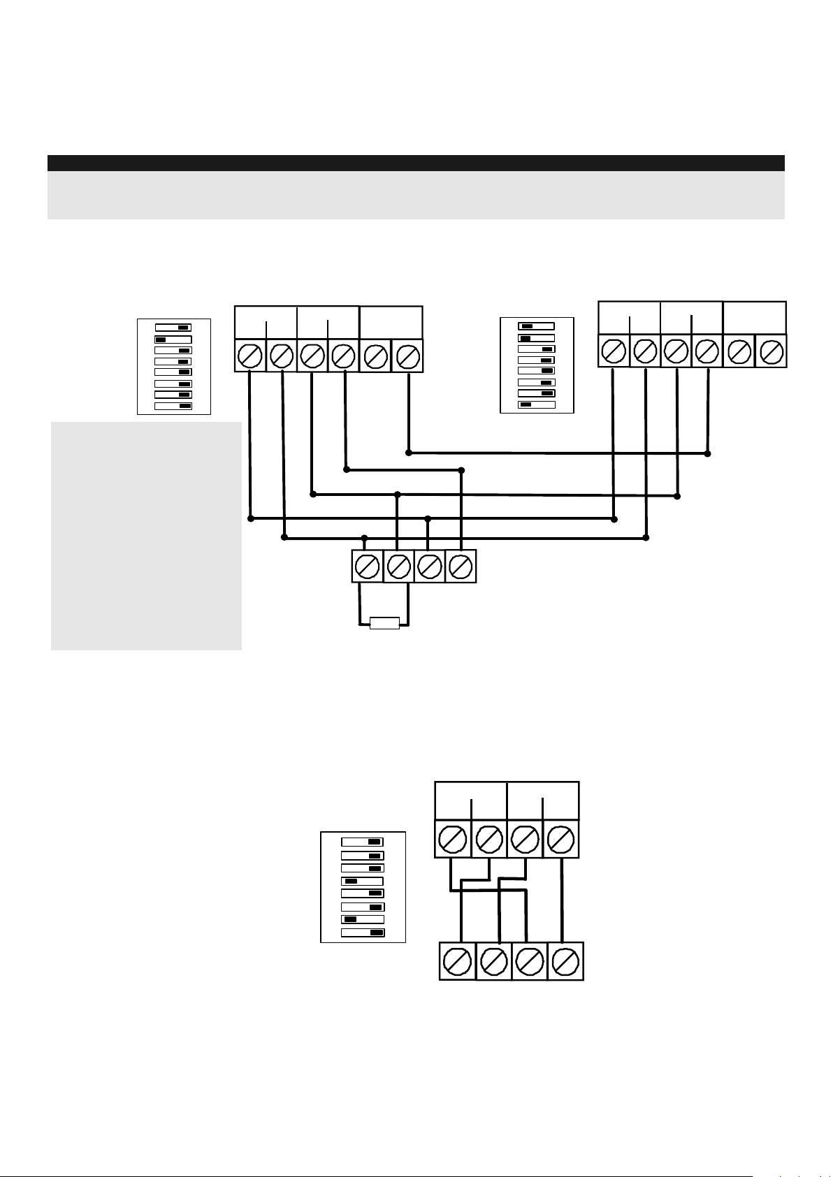
Sounder Trigger Connection - Stand Alone mode
Monitored Trigger.
Sounder will sound and a tamper will be generated if the Trigger wire is disconnected.
Note:
The sounder will recognise a valid trigger when the voltage level at the TRIG terminal is less than 2V (negative
trigger) OR greater than 7V (positive trigger). A disconnected trigger wire will present a voltage of between 2V and
3.5V at the TRIG terminal. A healthy trigger wire connection (sounder not triggered) is a voltage greater than 3.5V
for negative trigger, and less than 7V for positive trigger.
Non Monitored Negative Trigger.
Switched Negative (BELL-) Trigger signal from Control Panel is wired directly to TRIG terminal on
Sounder.
Non Monitored Positive Trigger.
Switched 12V Positive Trigger signal from Control Panel is wired directly to TRIG terminal on
Sounder.
Monitored Negative Trigger.
GT Control Panels (or 3rd party equipment with a voltage free switched negative Bell trigger
output):- On the Control Panel fit a 2K2 resistor between the Bell- output and the BELL+ terminal.
For Control panels where the Trigger output switches between 12V and 0V, the 2K2 resistor is NOT
required. On the Sounder set SW7 to ON (MON); this connects a 4K7 between the TRIG terminal