
Devido às condições externas, os aparelhos têm de ser instalados em
armários de distribuição do tipo de proteção IP32, IP43 ou IP54.
Os produtos aqui descritos foram concebidos para assumir como uma parte de uma
unidade total ou de uma máquina, funções relacionadas com a segurança. Por
norma, um sistema completo orientado para a segurança, contém sensores,
unidades de interpretação, aparelhos sinalizadores e conceitos para circuitos de
desconexão seguros. A responsabilidade pela garantia de um correto funcionamento
geral recai sobre o fabricante de uma unidade ou máquina. A Siemens AG, suas
filiais e sociedades de participação financeira (seguidamente designadas "Siemens")
não estão em condições de garantir todas as caraterísticas de uma unidade
completa ou máquina, não concebida pela Siemens.
A Siemens não assume a responsabilidade por recomendações implicadas ou forne-
cidas pela seguinte descrição. Com base na descrição que se segue não podem ser
interpretados novos direitos de garantia, qualidade de garantia ou indemnizações,
que vão para além das condições gerais de fornecimento da Siemens.
A combinação de segurança 3TK2853 pode ser aplicada em dispositivos de parada
de emergência, conforme EN 418 e em circuitos de corrente de segurança, con-
forme EN 60204-1 (11.98), p. ex. coberturas móveis, portas de proteção e dispositi-
vos de proteção de efeito sem contato. Dependendo do chaveamento externo,
deve ser alcançada a categoria de segurança 4 segundo DIN EN 954-1 resp., SIL3
segundo IEC 61508.
A combinação de segurança eletrônica 3TK2853 está equipada com dois contato-
res auxiliares (que executam funções de elementos de chaveamento), uma saída
eletrônica segura, uma entrada segura para a conexão em cascata e outra entrada
para o chaveamento operativo. Três LED‘s indicam o estado operativo e a função.
Na colocação em funcionamento o dispositivo executa um auto-diagnóstico, no
qual o sistem eletrônico interno é controlado quanto ao funcionamento correto.
Durante a operação todas as peças internas de chaveamento são supervisionadas
ciclicamente quanto a possíveis erros.
A segura saída 2 permite o chaveamento de dispositivos de ampliação como, p.
ex., 3TK2830/56/57, 3RA711/2/3/4, assim como, atuadores externos ou consumi-
dores. Além disso a saída segura 2 permite uma conexão em cascata com os dis-
positivos 3TK2841/42/45/53 resp., 3RA711. No Cat 3/4 uma conexão em cascata
de um só canal apenas é possível dentro do quadro de distribuição.
Deve-se certificar que o atuador/consumidor e a combinação de segurança
3TK2853 tenham o mesmo potencial de massa.
O chaveamento externo da combinação de segurança deve ser visualizado nos
exemplos de aplicação figura IV até figura X.
Utilize para a alimentação elétrica um el. de rede conforme
IEC 60536 grau de proteção III (SELV ou PELV)!
1)
Desligamento de ensaio das saídas seguras; os atuadores suficientemente lentos mantêmse
inalterados.
Para mais informações e números de encomenda, consulte o catálogo.
O funcionamento seguro do aparelho apenas pode ser garantido se forem utiliza-
dos os componentes certificados.
AVISO
Tensão elétrica perigosa!
Pode causar um choque elétrico
e queimaduras.
Antes de iniciar os trabalhos, desligue
a tensão da unidade e do aparelho.
Indicação importante
Âmbitos de aplicação
Descrição de funcionamento e indicações de ligação
Ocupação
dos bornes Tensão de
serviço A1
A2 L+
M
Sensores Y11, Y12
Y21, Y22
Y35
Y32
Y33, Y34
Canal 1 PARADA de EMERG. resp., sensor de
posição
Canal 2 PARADA de EMERG.. resp., sensor
de posição
com/sem reconhecimento de ligação cruzada
Comutador do ligamento automático
Tecla LIGAR, RF
Circuitos de desbloqueio ver figura XI
Entradas
Saídas
1
3
4
2
Entrada da cascata
Alimentação para chaves externas
Entrada para chaveamento operativo
saída eletrônica segura 24V CC / 1A
Comprimentos de
condutores em 2 x 1,5 mm2máx. 2000 m (comprimento total para sist.
sensoriais)
Capacidade de potência máx. 4,7 µF contra M (sist. sensoriais)
Figuras
Fig. I/II/IIa: Quadro de dimensões (medidas em mm) / Montagem / Conexão
!
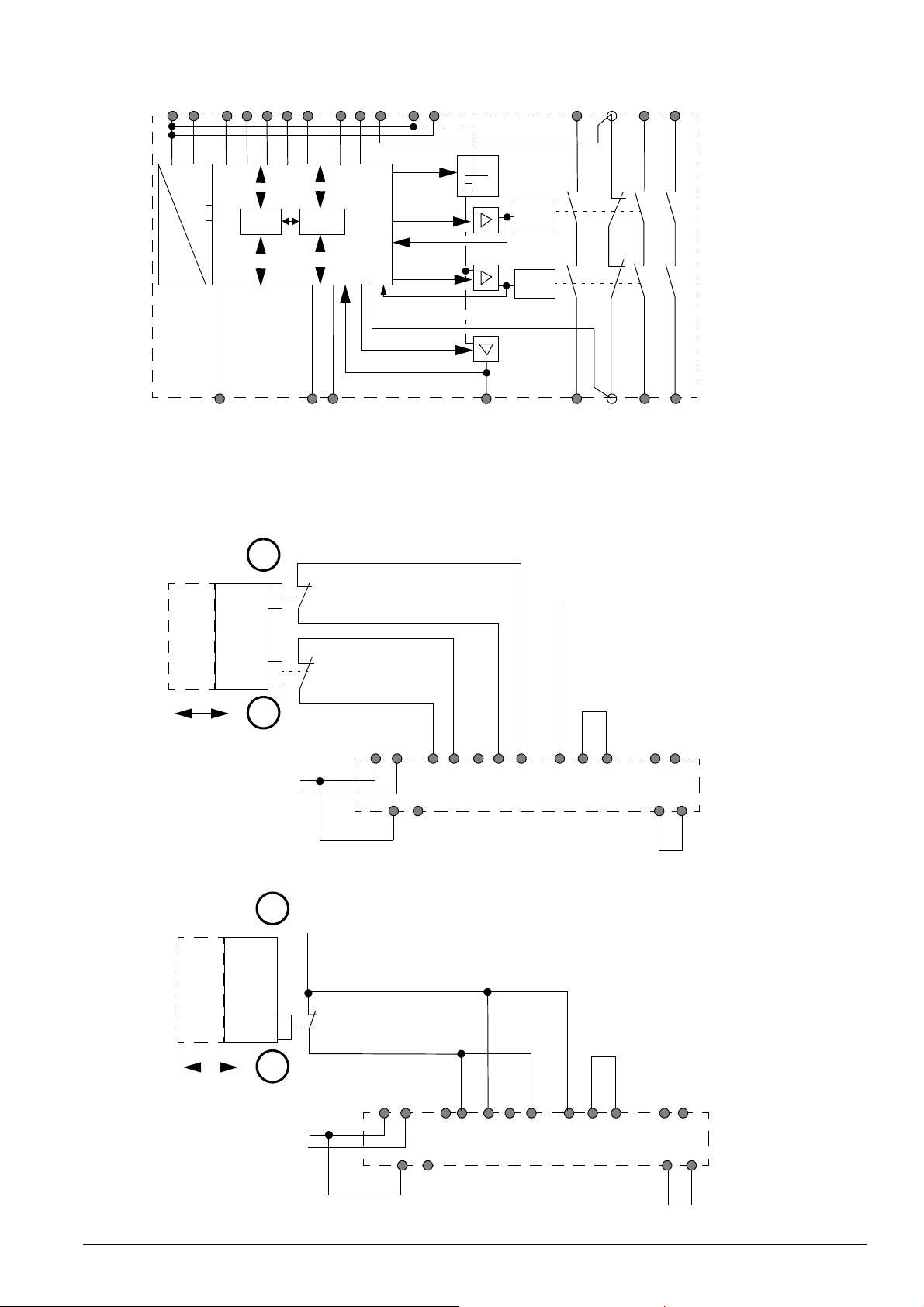
Fig. III: Chaveamento interno: ¿el. rede, Àclassificação dos sensores, Ádriver
para contatores auxiliares, Âpeça de potência, Ãentrada de cascata,
Äbornes para chaveamento operativo, Åsaída eletrônica segura
Fig. IV:
Fig. V: Superv. portas de proteção de 2 canais, lig. autom. Cat. 4 / SIL3
Superv. portas de proteção de 1 canal, lig. autom. Cat. 2 / SIL1
Fig. VI:
Fig. VII:
Fig. VIII:
Fig. IX:
PAR. EMERG. de 2 canais com adic. tecla LIGAR Cat. 4 / SIL3
PAR. EMERG. de 1 canal com adic. tecla LIGAR Cat. 2 / SIL1
Cortina/grelha luminosa, 2 canais, lig. autom., Cat. 4 / SIL3
PAR. EMERG. e porta proteção de 2 canais em cascata para Cat. 4 / SIL3
circuito de desbloqueio 3TK2853
Fig. X: a: sem controle operativo
b: com contato isento de potencial com controle operativo
c: com saída ligada a potencial com controle operativo
Fig. XI: Circuito de desbloqueio
Estados de serviço
LEDs Operação
POWER RUN FAULT PAR.
EMERG. Tecla LIGAR Saídas Motivo
não
acionado acionado 1ª
vez ligado operação normal
acionado sem
função desligado PAR. EMERG.
(porta proteção)
acionado
não
acionado não acionado desligado saídas desligadas;
acionar tecla LIGAR
para a partida
Auto-disgnóstico durante colocação em funcionamento,
cerca de 7s
Erro
Pisca • Defeito eletrônica
• Modificação da ocu-
pação de conexão na
operação
• Curto-circuito após L+
• Contator soldado
desligado
Falta tensão de
alimentação desligado
Caraterísticas técnicas
Temperatura ambiente permissível Tu
Serviço/Armazenamento –25 ... +60 °C/–40 ... +80 °C
Tipo de protecção conforme a norma EN 60 529 IP20
Tensão de isolamento admissível Ui690 V
Resistência à sobretensão admissível 6 kV
Tensão de entrada de comando admissível 24 V DC
Potência atribuída 8,5 W
Área de trabalho AC/DC 0,9 ... 1,15 x Us
Resistência ao choque 5g/11 ms
Peso 750 g
Tempo de recuperação após PAR. de EMERG. tipo 400 ms
Tempo de recuperação após falha de rede 7 s
Tempo de livramento (queda) após PAR. de EMERG. ≤45 ms
Tempo comando do circuito de desbloqueio máx. 60 ms
Tempo de comando da saída 2 máx. 40 ms
Circuito de desbloqueio de curto-circuito 10 A (classe de operação gL/gG)
Proteção contra curto-circuito A1 sem necessidade de proteção
contra curto-circuito
Tempo no escuro1) <1 ms
Sinal de partida Y34 pulso (mín. 200 ms / máx. 5s)
Tempo de reação do processo 180 ms
Ensaio manual (operação intermitente) 6 meses
Categoria de uso,
conforme IEC 60947-5-1
(02.00)
Tensão de operação
medida Ue
Corrente de operação medida,
por saída a 60 °C
CC-13 24 V 10 A (blocos de chave auxiliar 6 A)
6
Combinação de segurança 3TK2853
IEC 60 439 1, (08.00)
Instruções de serviço Nº de enc.: 3ZX1012-0TK28-1GA1 Português