
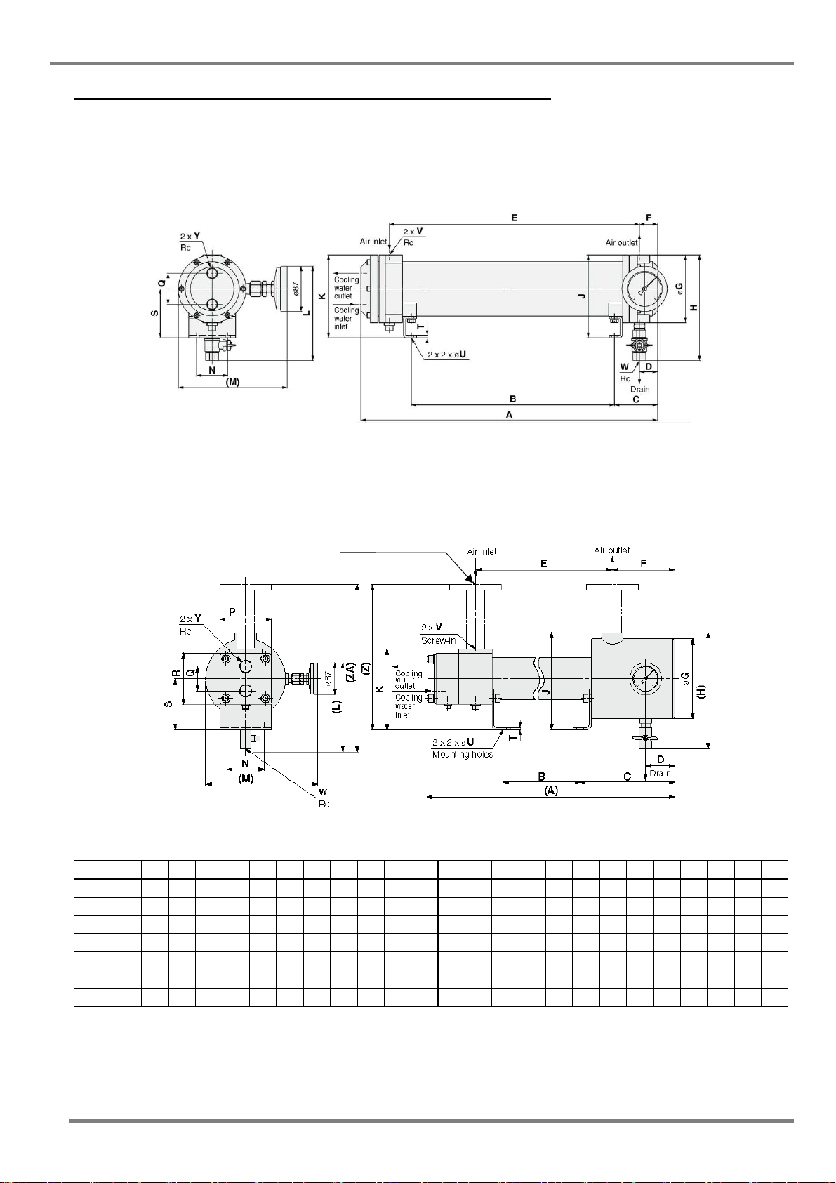
Water Cooled Aftercooler
HAW
Series - 1 - i-1
Warning: Before using this product
i Safety Instructions
Before using the product be sure to read and understand all the
important actions highlighted in this manual.
i - 1 Warning: Before using this product
This chapter is intended to specifically describe the safety related issues for handling the product.
Read this before handling the product.
- The water cooled aftercooler is a product that cools the hot and humid air discharged from the compressor with
cooling water, and condenses and separates the contained water.SMC does not take any responsibility for any
problems that may arise from using the product for other purposes.
-
Not only people handle the
water cooled aftercooler
but every people who perform maintenance on or do works related to it
should read safety instructions on this operation manual before handling.
- This manual is not a comprehensive manual covering safety and health related issues. This should be handled by
a person in charge of safety training.
- All personnel who work with or around the product should have sufficient knowledge about the dangers inherent
to the product and be trained in safety measures.
- The safety manager is responsible for strictly observing safety standards, but responsibility in respect to safety
standards during daily work resides with each individual operator and maintenance personnel.
- The operator and maintenance personnel should consider work places and environments for each task with due
consideration of safety issues.
- It is necessary to undergo appropriate general safety training before being trained about this product. Training
without having sufficient knowledge about safety is very dangerous. Training must not be conducted without
consideration to safety.
- This manual must be kept available to the operator whenever necessary.
i - 2 Danger, Warning and Caution
The instructions given in this manual aim to assure the safe and correct operation of the product, and to prevent
injury of operators or damage to the product. These instructions are grouped into three categories, "Danger",
"Warning" and "Caution", which indicate the level of hazard, damage and also the degree of emergency. All safety
critical information should be carefully observed at all times.
DANGER, WARNING and CAUTION signs are in order according to severity (DANGER> WARNING> CAUTION).
The signs are explained on the following page.
Danger
"Danger" indicates a hazard with a high level of risk which will result in death or serious
injury if an operator performs incorrect handling during the operation and maintenance of
the product or does not follow the instructions necessary to avoid it.
Warning
“Warning” indicates a hazard with a medium level of risk which will result in death or
serious injury if an operator does not follow the specified procedures during the operation
or maintenance of the product or does not follow the instructions necessary to avoid it.
Caution
“Caution” indicates a hazard of a low level of risk which will result in minor and moderate
injury or damage to product and equipment if an operator does not follow the specified
procedures during the operation and maintenance of the product or does not follow the
instructions to avoid it.
ATX-OM-F003E
i Safety Instructions