Lesen Sie die Gebrauchanweizung zuerst aufmerksam, bevor Sie den BG ansließen!
Eigenschaften
Auto 12 /24 Detektion Hoher Schaltstrom Bistabiles Relais Äußerst niedriger Arbeitsstrom
Zweck
Der Schutz einer LiFePO4 (Lithium-Eisenphosphat oder LFP) Batterie vor Unter- und Überspannung mit einem so niedrig möglichen Ruhestrom.
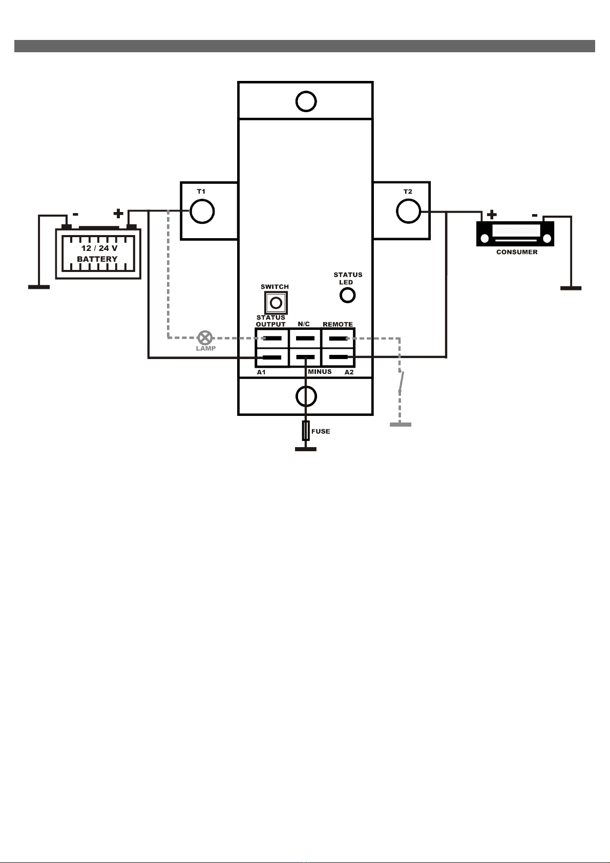
Installation
1 Die zu schaltende Apparatur an T2 anschließen.
2 (optional) Auf die Masse schaltenden Schalter an die Eingangsfernsteuerung anschließen.
3 (optional) Eine Lampe an den Statusausgang anschließen.
4 Den Pluspol der Batterie an T1 anschließen.
5 Den Pluspol der Batterie an A1 anschließen.
6 Den Minuspolanschluss des BDB-250 über eine 5A Sicherung an den Minuspol der Batterie anschließen.
Warnhinweise:
Das Produkt darf nur von fachkundigen Installateuren / Monteuren angeschlossen werden, die die orschriften für das Arbeiten mit hohen
Batteriespannungen kennen.
Bei Gebrauch von schlechtem Anschlussmaterial und / oder zu dünnen Drähten kann das Produkt beschädigt werden.
Kurzschluss zwischen dem Plus- und Minusanschluss der Batterie kann Ihr System schwer beschädigen.
Gebrauchen Sie immer Sicherungen.
Funktion
Alle Spannungen, die hier erwähnt werden, werden in einem 12 System angewendet. Für eine vollständige Übersicht aller Spannungen für sowohl das 12 als
auch das 24 System, kann die Tabelle rechts unten zurate gezogen werden.
Beim Anschließen
Bevor der BDB-250 in Betrieb geht, muss zuerst festgestellt werden, ob er an ein 12 oder ein 24 System angeschlossen ist. Daher muss nach dem
Anschließen zuerst eine Sekunde gewartet werden, bevor eine Handlung vorgenommen wird. Das Relais wird danach eingeschaltet werden, wenn die
ersorgungsspannung zwischen 10,0 und 15,4 liegt. Wenn dies nicht der Fall ist, wird das Relais ausgeschaltet.
Zu hohe Spannung
Sobald die ersorgungsspannung über 15,0 kommt, wird die LED-Anzeige blinken, um anzugeben, dass eine
Überspannung festgestellt worden ist. Falls sich nichts an der Situation der ersorgungsspannung ändert, wird die Anzeige
90 Sekunden lang blinken. Hiernach wird das Relais ausgeschaltet und wird die LED-Anzeige auch ausgehen.
Wenn die ersorgungspannung über 15,4 kommt, wird der ganze „Warnprozess“ jedoch überschlagen und geht das
Relais praktisch direkt (nach einer halben Sekunde) aus.
Zu niedrige Spannung
Falls die ersorgungsspannung unter 10 kommt, wird die LED-Anzeige blinken, um anzugeben, dass eine Unterspannung
festgestellt worden ist. Falls sich nichts an der Situation der ersorgungsspannung ändert, wird die Anzeige 90 Sekunden
lang blinken. Hiernach wird das Relais ausgeschaltet und wird die LED-Anzeige auch ausgehen.
Reset
In dem Moment, wenn der BDB-250 ausgeschaltet ist und die Spannung wieder zwischen 11,0 und 14,0 liegt, kann er
auf zwei Arten wieder eingeschaltet werden: automatisch oder manuell.
Wenn die Anwendung auf automatisch eingestellt ist, wird er direkt nach der Feststellung, dass die Spannung wieder „richtig“ ist, einschalten. Wenn die
manuelle Option gewählt worden ist, kann der Anwender selbst - mittels eingebautem Schalter oder einem externen Schalter auf dem Fernsteuerungseingang -
den BDB-250 wieder einschalten.
Die Wahl für die Resetmethode liegt beim Anwender und die Art und Weise, wie diese eingestellt werden kann, wird unter der Überschrift „Programmieren“
beschrieben.
Programmieren
Wenn der Anwender danach den Knopf ein Mal kurz eindrückt - wobei die LED-Anzeige als Feedback aufleuchtet – wird die BDB-250
Resetfunktion auf Automatisch eingestellt. Wenn der Anwender jedoch zwei Mal den Knopf eindrückt, wird der manuelle Reset
eingestellt.
Ungefähr 4 Sekunden, nachdem der Knopf zum letzten Mal eingedrückt wurde, wird die LED-Anzeige den programmierten Stand zur
Kontrolle nochmals wiedergeben (Beispiel: Wenn Stand 2 programmiert ist, wird die LED-Anzeige zwei Mal blinken.)
Technische Daten
Abmessungen
Gewicht 370 g
Abmessungen L*B*H 120*82*57 mm
Montagelöcher Ø 5 mm
Anschlussstreifen Kontakte L*B*H
Ø
18*19*2 mm
8 mm
Elektronische Information
Autodetect 12 oder 24 System 12 Modus
24 Modus
8 bis einschließlich 20
20 bis einschließlich 35
Aufgenommener Strom Aktiv
Passiv
3mA
2mA
Einschaltstrom (100ms) 12 Modus
24 Modus
2,6A
5,0A
Schaltstrom kontinuierlich
Spitze
250A
1.500A