
Bedienungsanleitung/Operating manual
EZE21
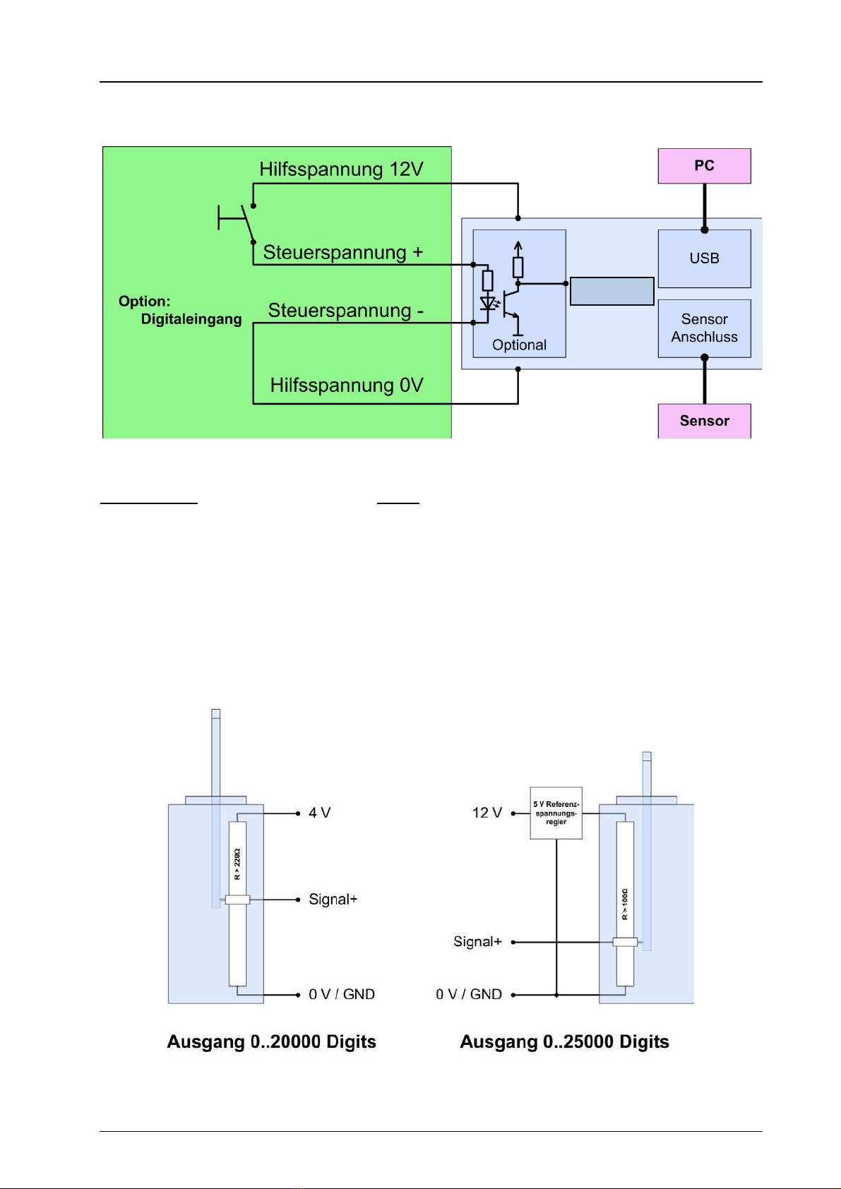
1.3 Hinweise zur Installation
Geräte der tecsis GmbHmüssen unter Einhaltung der relevanten DIN- und VDE- Normen installiert und
angeschlossen werden. Sie sind so einzubauen, dass eine unabsichtliche Bedienung hinreichend
ausgeschlossen wird. Damit eine Unterbrechung der Versorgungs- und Signalleitungen nicht zu einem
undefinierten oder gefährlichen Zustand führen kann, sind entsprechende hard- und softwaremäßige
Sicherheitsvorkehrungen einzuhalten. Versorgungs- und Signalleitungen müssen so installiert werden,
dass durch Störsignale (wie z. B. induktive oder kapazitive Einstreuungen) keine Beeinträchtigung der
Funktion von Geräten der tecsis GmbH verursacht wird.
1.3.1 Hinweise zu Störungen, Instandhaltung und Reparatur
Die Geräte enthalten keine Teile, die vom Anwender gewartet werden müssen oder können. Reparaturen
dürfen ausschließlich durch die tecsis GmbH durchgeführt werden.
Ist anzunehmen, dass ein gefahrloser Betrieb von dem Gerät nicht mehr möglich ist, so ist es
unverzüglich außer Betrieb zu setzen und gegen unbeabsichtigten Betrieb zu sichern. Das trifft
insbesondere zu, wenn:
das Gerät sichtbare Beschädigungen aufweist
das Gerät nicht mehr funktionsfähig ist
Teile des Geräts lose oder locker sind
die Verbindungsleitungen sichtbare Schäden aufweisen
Außerdem weisen wir daraufhin, dass alle Verpflichtungen der tecsis GmbH sich ausschließlich aus dem
jeweiligen Kaufvertrag ergeben, in dem die Gewährleistung abschließend geregelt ist.
2. Einleitung
2.1 Produktbeschreibung
Das EZE21 ist ein Messverstärker, um analoge Signale aufzubereiten und in digitale Messwerte
umzuwandeln. Diese Messdaten können dann mittels USB-Schnittstelle vom PC angefordert werden.
Die Stromversorgung erfolgt ebenfalls über die Schnittstelle, daher istkein separates Netzteil notwendig.
Das EZE21 ist für 4 verschiedene Arten von Sensorsignalen konzipiert (Spezifikationen siehe
Datenblatt):
DMS Signale: ±3 mV/V (entsprechen ±30000 Digits)
Aktive Signale mit Spannungseingang: ±5 V (entsprechen ±25000 Digits)
Aktive Signale mit Spannungseingang: ±10 V (entsprechen ±25000 Digits)
Aktive Signale mit Stromeingang: 0 .. 20 mA (entsprechen 0 .. +20000 Digits)
Die Verstärkervariante und die Auflösung sind auf dem Typenschild ausgewiesen, eine Typenänderung
ist nur dem Hersteller vorbehalten. Daher darf auch nur der zugehörige Sensortyp angeschlossen
werden.
Die Messwerte werden vorzeichenbehaftet in Digits (16 Bit signed integer Format) ausgegeben (siehe
oben in Klammern).
Wird das EZE21 mit Sensor zusammen justiert, so ist der Ausgangswert dem Prüfzertifikat zu
entnehmen.
Wird das EZE21 nicht auf einen Sensor justiert, so sind die Ausgangswerte wie oben in Klammern
beschrieben justiert. Diese sind mit einer hochgenauen Referenz justiert.
Die Auswertung erfolgt mit der VASUSB Software, die folgenden Funktionsumfang bietet:
Konfigurationsmöglichkeiten für die VASUSB
Speichern sensorbezogener Skalier- und Einstellungsdaten
Anzeige zur Darstellung der Messdaten (aktueller Messwert, Tarierwert, Minimalwert und
Maximalwert)
Darstellung der Messdaten im Diagramm
Speichern der Messdaten im CSV Format (Ausgabe konfigurierbar)
Speichern des Diagramms im BMP Format (Ausgabegröße einstellbar)
Drucken des Diagramms (Ausgabegröße definiert)
Darstellung der Sensorinformationen
.
6 BD_BE 936_EZE21 www.tecsis.de