
Table of Contents
Introduction ..........................................................................1-1
General Description ..........................................................................1-1
System Features .............................................................................1-1
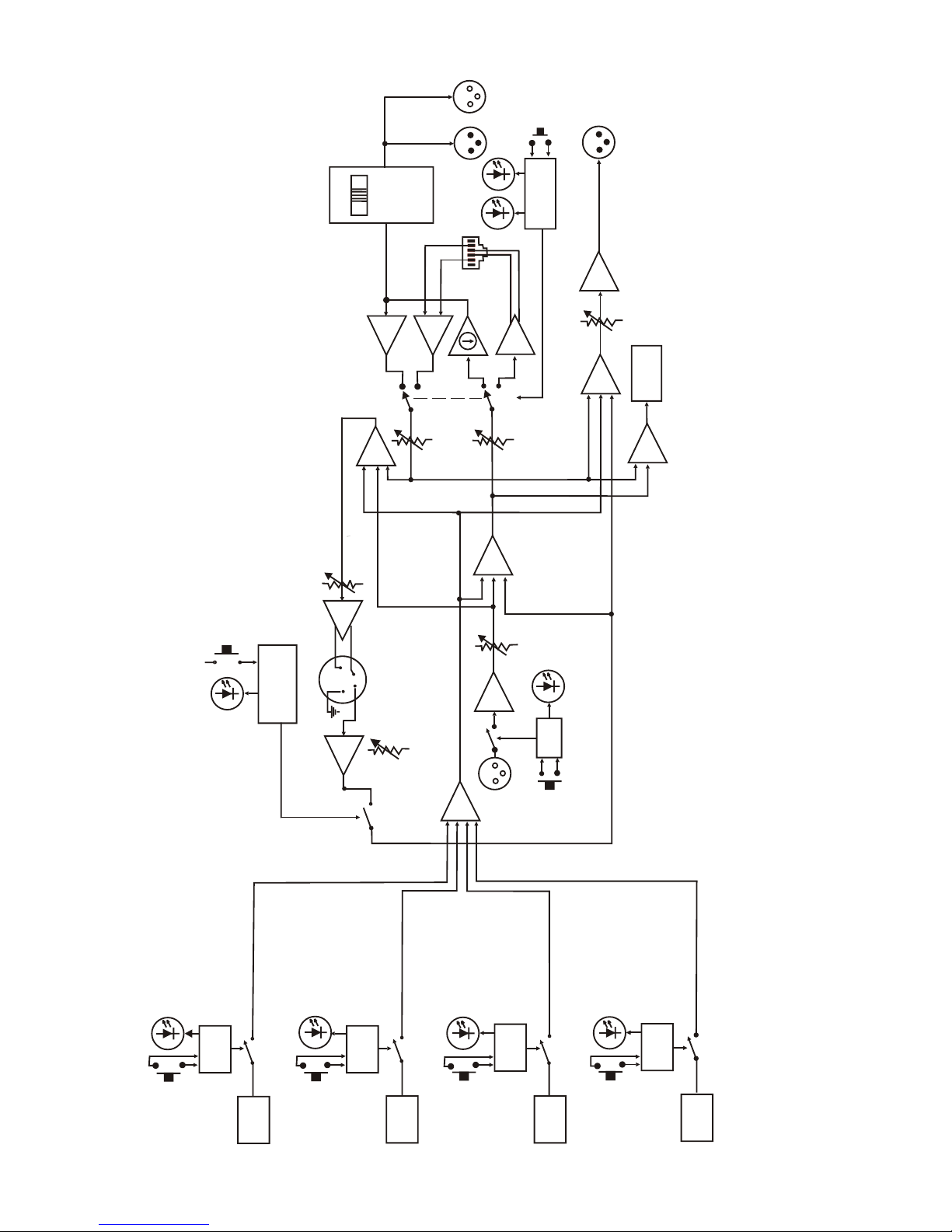
BTR-700 Block Diagram......................................................................1-2
BTR-700 Base Station ..................................................................2-1
Controls and Connections - Front Panel ..........................................................2-1
Controls and Connections - Rear Panel ...........................................................2-2
BTR-700 Specifications.......................................................................2-3
TR-700 Beltpack.......................................................................3-1
Controls and Connections - Top Panel............................................................3-1
Controls and Connections - Rear Panel ...........................................................3-2
TR-700 Specifications ........................................................................3-3
Initial Equipment Set-Up ...............................................................4-1
Unpacking .................................................................................4-1
Antenna Connections.........................................................................4-2
Antenna Polarization .........................................................................4-2
Distance Between Antennas ...................................................................4-2
Antenna Placement ..........................................................................4-2
Improving Reception/Increasing Range ..........................................................4-4
Base Station Set-Up .........................................................................4-5
Location ...............................................................................4-5
Power Connection........................................................................4-5
Transmit Switches........................................................................4-5
Intercom Switch .........................................................................4-6
Intercom Interface........................................................................4-6
Auxiliary Input/Output ....................................................................4-7
Beltpack Set-Up ............................................................................4-8
Battery Installation .......................................................................4-8
Antenna Connection ......................................................................4-9
Transmit Mode ..........................................................................4-9
Headset Connection ......................................................................4-9
Pre-Walk-Thru Checklist ...............................................................5-1
System Operation......................................................................6-1
Frequency Plan Overview .....................................................................6-1
Factory-Defined Groups ......................................................................6-1
User-Programmable Groups ...................................................................6-1
System Quick Start ..........................................................................6-1
Base Station Operation ......................................................................6-2
Power .................................................................................6-2
Local Headset ...........................................................................6-2
Portable Station Connect ..................................................................6-2
Intercom ...............................................................................6-2
Auxiliary...............................................................................6-2
Display Contrast .........................................................................6-3
BTR-700 Menu Structure.................................................................6-4
Main Screen Flowchart .................................................................6-4
Power-Up Screen ......................................................................6-5
Operating Screen ......................................................................6-5
Beltpack Activity Code Definitions ........................................................6-5
Group/Channel Select ..................................................................6-6
Group/Frequency Select.................................................................6-7
Frequency Edit .......................................................................6-8
Clear Scan ...........................................................................6-9
Special Key Sequences................................................................6-10
Lockout .........................................................................6-10
Copy ...........................................................................6-10
1st Use Default ...................................................................6-10
Factory Default ...................................................................6-10
-i-