
Table of Contents
Introduction...........................................................................1-1
General Description ..........................................................................1-1
System Features .............................................................................1-1
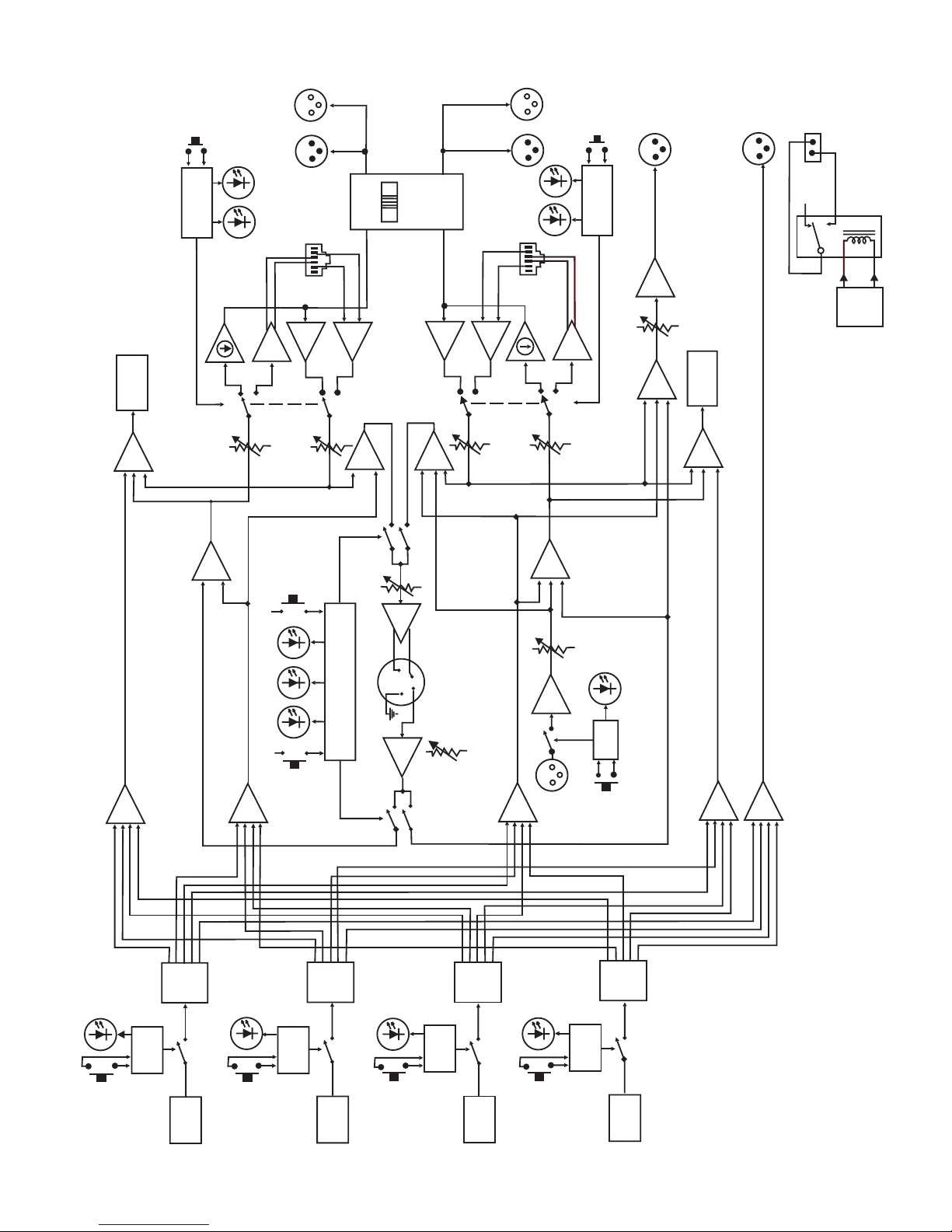
BTR-800 Block Diagram ......................................................................1-2
BTR-800 Base Station...................................................................2-1
Controls and Connections - Front Panel...........................................................2-1
Controls and Connections - Rear Panel ...........................................................2-2
BTR-800 Specifications .......................................................................2-3
TR-800 Beltpack .......................................................................3-1
Controls and Connections - Top Panel ............................................................3-1
Controls and Connections - Rear Panel ...........................................................3-2
TR-800 Specifications ........................................................................3-3
Initial Equipment Set-Up ................................................................4-1
Unpacking..................................................................................4-1
Antenna Connections .........................................................................4-2
Antenna Polarization .........................................................................4-2
Distance Between Antennas ....................................................................4-2
Antenna Placement ...........................................................................4-2
Improving Reception/Increasing Range ...........................................................4-4
Base Station Set-Up .........................................................................4-5
Location................................................................................4-5
Power Connection ........................................................................4-5
Transmit Switches ........................................................................4-5
Internal Transmit Switches .................................................................4-6
Intercom Switch..........................................................................4-6
Intercom Interface ........................................................................4-6
Dual Listen Functionality ..................................................................4-8
Auxiliary Input/Output ....................................................................4-9
Internal Auxiliary Input Routing Switch.......................................................4-9
Stage Announce /Relay Contacts ...........................................................4-10
Base Station Link .......................................................................4-11
Beltpack Set-Up ...........................................................................4-12
Battery Installation ......................................................................4-12
Antenna Connection .....................................................................4-13
Transmit Mode..........................................................................4-13
Headset Connection......................................................................4-13
Pre-Walk-Thru Checklist................................................................5-1
System Operation ......................................................................6-1
Frequency Plan Overview......................................................................6-1
Factory-Defined Group........................................................................6-1
User-Programmable Groups ....................................................................6-1
System Quick Start ...........................................................................6-1
Base Station Operation.......................................................................6-2
Power..................................................................................6-2
Local Headset ...........................................................................6-2
Portable Station Connect ...................................................................6-2
Intercom A and B ........................................................................6-2
Auxiliary ...............................................................................6-2
Display Contrast .........................................................................6-3
BTR-800 Menu Structure .................................................................6-4
Main Screen Flowchart. . . . . . . . . . . . . . . . . . . . . . . . . . . . . . . . . . . . . . . . . . . . . . . . . . . . . . . . . . . . . . . . . . 6-4
Power-Up Screen . . . . . . . . . . . . . . . . . . . . . . . . . . . . . . . . . . . . . . . . . . . . . . . . . . . . . . . . . . . . . . . . . . . . . . 6-5
Operating Screen . . . . . . . . . . . . . . . . . . . . . . . . . . . . . . . . . . . . . . . . . . . . . . . . . . . . . . . . . . . . . . . . . . . . . . 6-5
Beltpack Activity Code Definitions . . . . . . . . . . . . . . . . . . . . . . . . . . . . . . . . . . . . . . . . . . . . . . . . . . . . . . . . 6-5
Group/Channel Select. . . . . . . . . . . . . . . . . . . . . . . . . . . . . . . . . . . . . . . . . . . . . . . . . . . . . . . . . . . . . . . . . . . 6-6
Group/Frequency Select . . . . . . . . . . . . . . . . . . . . . . . . . . . . . . . . . . . . . . . . . . . . . . . . . . . . . . . . . . . . . . . . . 6-7
Frequency Edit . . . . . . . . . . . . . . . . . . . . . . . . . . . . . . . . . . . . . . . . . . . . . . . . . . . . . . . . . . . . . . . . . . . . . . . . 6-8
Clear Scan. . . . . . . . . . . . . . . . . . . . . . . . . . . . . . . . . . . . . . . . . . . . . . . . . . . . . . . . . . . . . . . . . . . . . . . . . . . . 6-9
Special Key Sequences . . . . . . . . . . . . . . . . . . . . . . . . . . . . . . . . . . . . . . . . . . . . . . . . . . . . . . . . . . . . . . . . 6-10
Lockout . . . . . . . . . . . . . . . . . . . . . . . . . . . . . . . . . . . . . . . . . . . . . . . . . . . . . . . . . . . . . . . . . . . . . . . . . 6-10
Copy. . . . . . . . . . . . . . . . . . . . . . . . . . . . . . . . . . . . . . . . . . . . . . . . . . . . . . . . . . . . . . . . . . . . . . . . . . . . 6-10
1st Use Default. . . . . . . . . . . . . . . . . . . . . . . . . . . . . . . . . . . . . . . . . . . . . . . . . . . . . . . . . . . . . . . . . . . . 6-10
Factory Default . . . . . . . . . . . . . . . . . . . . . . . . . . . . . . . . . . . . . . . . . . . . . . . . . . . . . . . . . . . . . . . . . . . 6-10
-i-