
FCC Warnings
This equipment is intended for use in a laboratory test environment only. It generates, uses, and can radiate radio frequencyenergy and has not been tested for compliance with the limits of computing devices pursuant to subpart J of part 15 of FCC rules,which are designed to provide reasonable protection against radio frequency interference. Operation of this equipment in otherenvironments may cause interference with radio communications, in which case the user at his own expense will be required totake whatever measures may be required to correct this interference.
EVM IMPORTANT NOTICE (CATEGORY B)
IMPORTANT: TI is providing the enclosed TPA2012D2 evaluation module under the following conditions:
This evaluation module (EVM) being provided by Texas Instruments (TI) is intended for use for ENGINEERING DEVELOPMENTOR EVALUATION PURPOSES ONLY and is not considered by Texas Instruments to be fit for commercial use. As such, this EVMmay not be complete in terms of design and/or manufacturing related protective considerations including product safety measurestypically found in the end-product incorporating the module. As a prototype, this product does not fall within the scope of theEuropean Union Directive on electromagnetic compatibility and on low voltage and therefore may not meet the technicalrequirements of the directive. This EVM is not subject to the EU marking requirements.
•Should this EVM not meet the specifications indicated in the User’s Guide the EVM may be returned within 30 daysfrom the date of delivery for a full refund. THE FOREGOING WARRANTY IS THE EXCLUSIVE WARRANTY MADE BYTI AND IS IN LIEU OF ALL OTHER WARRANTIES, EXPRESSED, IMPLIED, OR STATUTORY, INCLUDING ANYWARRANTY OF MERCHANTABILITY OR FITNESS FOR ANY PARTICULAR PURPOSE.•The user assumes all responsibility and liability for proper and safe handling of the EVM. The user acknowledge that the useof the EVM could present serious hazards and that it is the user’s responsibility to take all precautions for the handling anduse of the EVMs in accordance with good laboratory practices. Please be aware that the products received may not beregulatory compliant or agency certified (FCC, UL, etc.). Due to the open construction of the product, it is the user’sresponsibility to take any and all appropriate precautions with regard to electrostatic discharge.•NEITHER PARTY WILL BE LIABLE TO THE OTHER FOR ANY INDIRECT, SPECIAL, INCIDENTAL, OR CONSEQUEN-TIAL DAMAGES.
•TI is currently dealing with various customers for products, and therefore our arrangement with the user will not beexclusive.
•TI assumes no liability for applications assistance, customer product design, software performance, or infringementof patents or services described herein.•Please read the User’s Guide and specifically the section in the User’s Guide pertaining to warnings and restrictions prior tohandling the product. This section contains important information regarding high temperature and voltages which TIrecommends to be read before handling the EVMs. In case of any doubt regarding safety, please contact the TI applicationengineer.
•Persons handling the product should have electronics training and observe good laboratory practice standards.•No license is granted under any patent right or other intellectual property right of TI covering or relating to any combination,machine, or process in which such TI products or services might be or are used.•This Agreement is subject to the laws of the State of Texas, excluding the body of conflicts of laws and the United NationsConvention on the International Sale of Goods, and will be subject to the exclusive jurisdiction of the courts of the State ofTexas.
EVM WARNINGS AND RESTRICTIONS
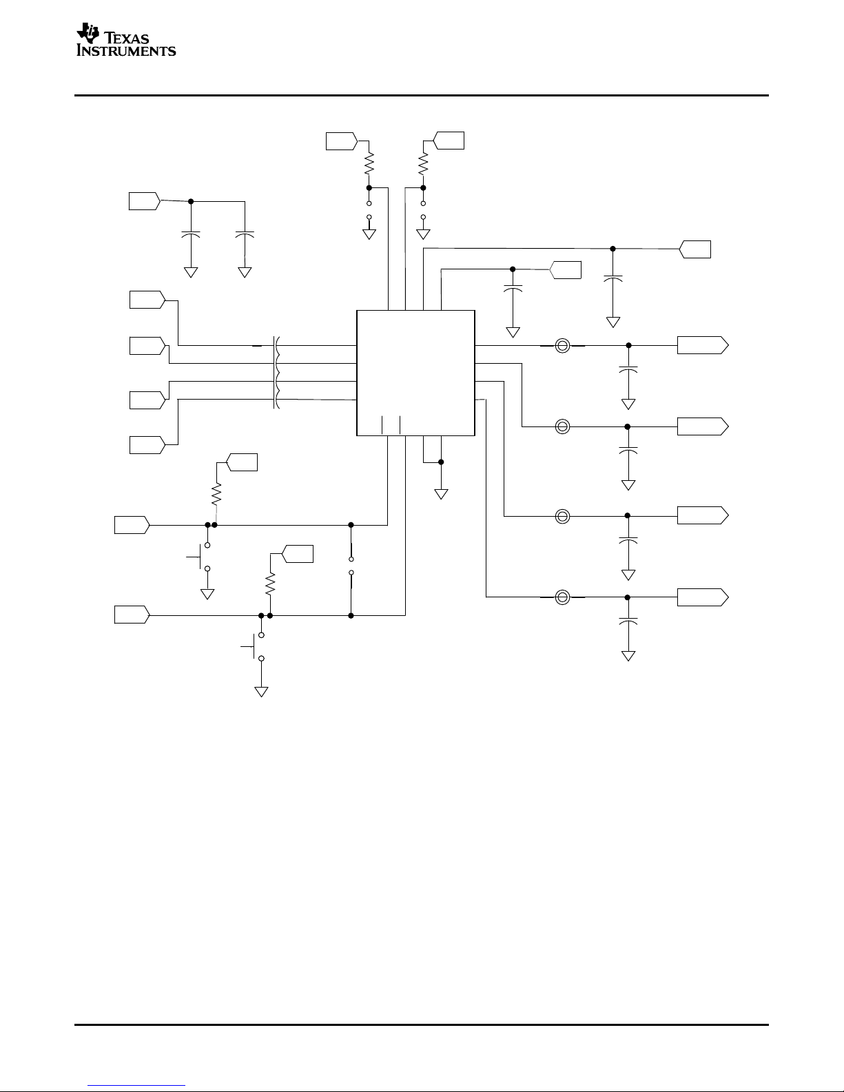
It is important to operate this EVM within the input voltage range of 2.5 V to 5 V and the output voltage range of xxx V to xxx V.Exceeding the specified input range may cause unexpected operation and/or irreversible damage to the EVM. If there arequestions concerning the input range, please contact a TI field representative prior to connecting the input power.Applying loads outside of the specified output range may result in unintended operation and/or possible permanent damage to theEVM. Please consult the EVM User's Guide prior to connecting any load to the EVM output. If there is uncertainty as to the loadspecification, please contact a TI field representative.During normal operation, some circuit components may have case temperatures greater than 60ï½ C. The EVM is designed tooperate properly with certain components above 60ï½ C as long as the input and output ranges are maintained. Thesecomponents include but are not limited to linear regulators, switching transistors, pass transistors, and current sense resistors.These types of devices can be identified using the EVM schematic located in the EVM User's Guide. When placing measurementprobes near these devices during operation, please be aware that these devices may be very warm to the touch.
Mailing Address: Texas Instruments, Post Office Box 655303, Dallas, Texas 75265Copyright © 2004, Texas Instruments Incorporated