Worcester 32 Benutzerhandbuch
Andere Worcester Kessel Handbücher

Worcester
Worcester GB162-50 Bedienungsanleitung

Worcester
Worcester 29CDi GC 47-406-34 Benutzerhandbuch

Worcester
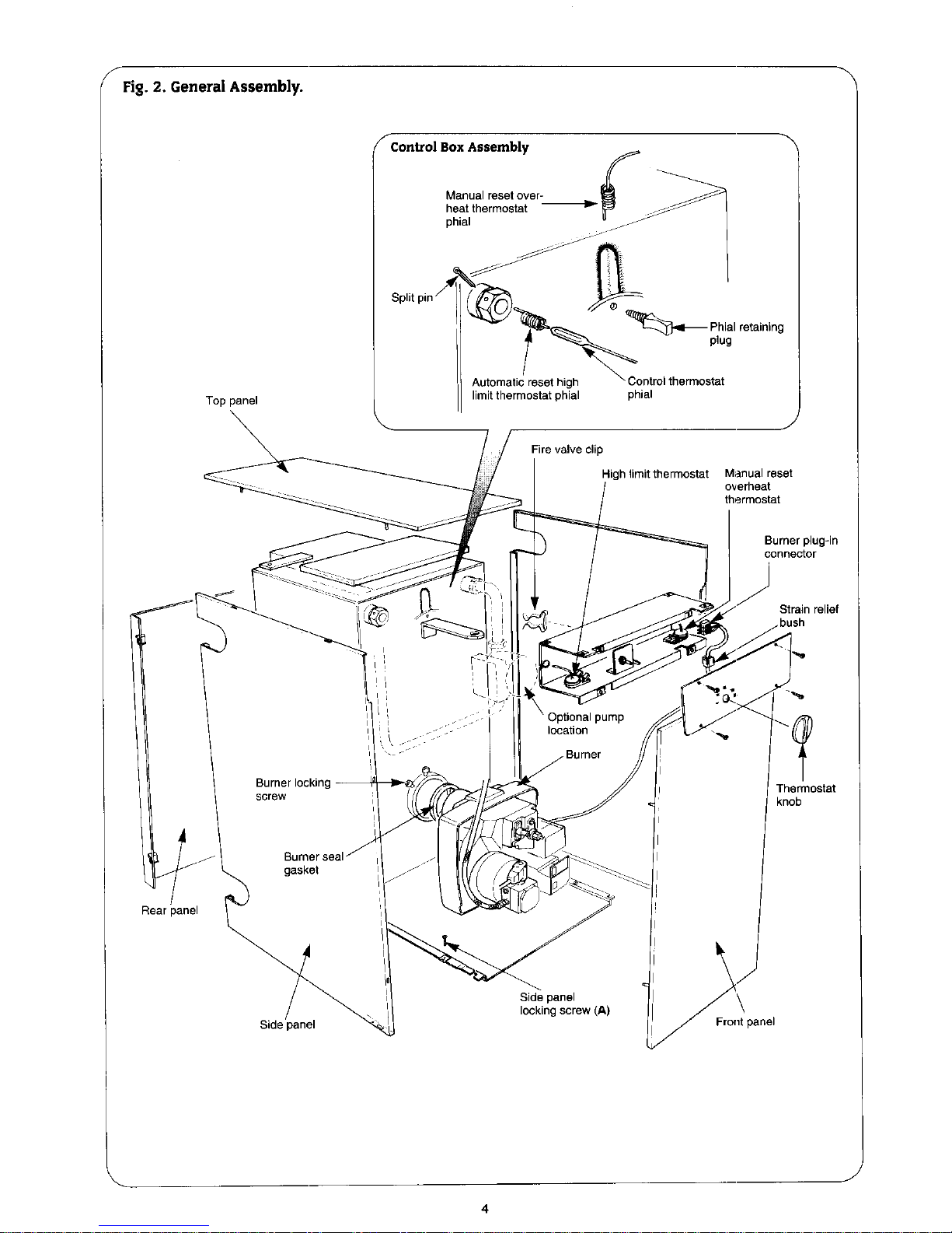
Worcester HIGHFLOW 400 ELECTRONIC RSF Bedienungsanleitung

Worcester
Worcester 14/19CBi Benutzerhandbuch

Worcester
Worcester Greenstar 8000 Life GR8300iW 30 C Bedienungsanleitung

Worcester
Worcester HEATSLAVE 9.24 RSF Bedienungsanleitung

Worcester
Worcester benchmark ZWB 7-25 R 25 HE Benutzerhandbuch

Worcester
Worcester ZSBR 7-28 ICS1 Installations- und Betriebshandbuch

Worcester
Worcester danesmoor 12/14 Benutzerhandbuch

Worcester
Worcester GB162 Konfigurationshandbuch

Worcester
Worcester Greenstar Heatslave II External 12/18 Bedienungsanleitung

Worcester
Worcester Greenstar 8000 Style Series Bedienungsanleitung

Worcester
Worcester GREENSTAR 24i junior Bedienungsanleitung

Worcester
Worcester Greenstar FS 42CDi Regular Bedienungsanleitung

Worcester
Worcester 240 Combi BF Benutzerhandbuch

Worcester
Worcester Greenstar 12i System ErP Bedienungsanleitung

Worcester
Worcester GREENSTAR CDi CLASSIC REGULAR Bedienungsanleitung

Worcester
Worcester Greenstar 8000 Life Series Bedienungsanleitung

Worcester
Worcester GR8700iW 30 S NG Bedienungsanleitung

Worcester
Worcester 28CDi RSF Benutzerhandbuch
Beliebte Kessel Handbücher anderer Marken

Vaillant
Vaillant uniSTOR VIH SW GB 500 BES Bedienungsanleitung

Radijator
Radijator BIO max 23.1 Bedienungsanleitung

Brunner
Brunner BSV 20 Bedienungsanleitung

Buderus
Buderus Logamax GB062-24 KDE H V2 Bedienungsanleitung

Potterton
Potterton 50e Datenblatt

UTICA BOILERS
UTICA BOILERS TriFire Bedienungsanleitung

























