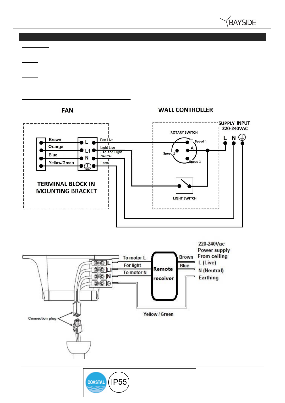
This fan is suitable for indoor, alfresco,
and coastal areas. This product is IP55
rated and can be exposed to jets of water
from any direction. This rating should be
maintained during installation.
AFTER INSTALLATION
WOBBLE:
NOTE: ceiling fans tend to move during operation due to the fact that they are mounted on a rubber grommet. If the
fan was mounted rigidly to the ceiling it would cause excessive vibration. Movement of a few centimetres is quite
acceptable and DOES NOT suggest any problem.
TO REDUCE THE FAN WOBBLE: Please check that all screws which fix the mounting bracket and down rod are
secure.
BALANCING KIT: A balancing kit is provided to balance the ceiling fan on initial installation. Please refer to the
instruction on how to use the balancing kit. The balancing kit can be used to assist re-balancing should the ceiling
fan become un-balanced again. Store your balancing kit away after installation for future use if required.
NOISE:
When it is quiet (especially at night) you may hear occasional small noises. Slight power fluctuations and frequency
signals superimposed in the electricity for off-peak hot water control, may cause a change in fan motor noise. This
is normal. Please allow a 24-hour “breaking-in” period, most noises associated with a new fan disappear during this
time. Please note that this is not a product fault and as such is not covered under warranty –All electric motors are
audible to some extent.
CARE AND CLEANING:
•Periodic cleaning of your ceiling fan is the only maintenance required. Use a soft brush or lint free cloth to avoid
scratching the paint finish. Please turn off electricity power when you do so.
•Do not use water when cleaning your ceiling fan. It could damage the motor or the blades and create the
possibility of an electrical shock.
•The motor has a permanently lubricated ball bearing so there is no need to oil.
NOTE: Always turn OFF the power at the mains switch before attempting to clean your fan.
TECHNICAL INFORMATION