
Pag 3
KIT
AUDIO 4+n
AUDIO 4+n
INDICE - INDEX - SOMMAIRE - INHALT - INDICE
INSTALACIÓN ................................................................................................ 4
Instalación Alimentador ........................................................................ 4
Instalación Placa de Calle .................................................................... 4
Instalación Teléfono .............................................................................. 5
CARACTERISTICAS TECNICAS .................................................................. 5
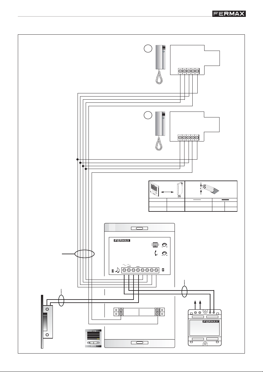
ESQUEMAS DE INSTALACIÓN ................................................................... 6
FUNCIONAMIENTO ..........................................................................................12
E
INSTALLATION .............................................................................................. 4
Power Supply installation .................................................................... 4
Outdoor Panel installation ................................................................... 4
Telephone installation .......................................................................... 5
TECHNICAL FEATURES ............................................................................... 5
WIRING DIAGRAM......................................................................................... 6
OPERATION ...................................................................................................12
GB
INSTALLATION .............................................................................................. 4
Installation de l’alimentation ................................................................. 4
Installation de la Platine de Rue........................................................... 4
Installation du Poste ............................................................................. 5
CARACTERISTIQUES TECHNIQUES ................................................................. 5
SCHÉMAS DE CABLAGE ............................................................................ 6
FONCTIONNEMENT .........................................................................................12
F
INSTALLATION UND VERKABELUNG DER TÜRSTATION ....................... 4
Installation des Netzgeräts ................................................................... 4
Installation der Türstation ..................................................................... 4
Installation des Telefons ....................................................................... 5
TECHNISCHE EIGENSCHAFTEN .............................................................................. 5
VERKABELUNGSSCHEMA ........................................................................... 6
BETRIEB ..........................................................................................................12
D
INSTALAÇÃO................................................................................................. 4
Instalação do Transformador ................................................................ 4
Instalação da Placa da Rua ................................................................. 4
Instalação do Telefone .......................................................................... 5
CARACTERÍSTICAS TÉCNICAS .................................................................. 5
ESQUEMAS DE INSTALAÇÃO .................................................................... 6
FUNCIONAMIENTO ..........................................................................................12
P