
ics, Inc.; Hilton NY; USA. All rights reserved. Hamtronics is a registered trademark. Revised:
p. Install all remaining compo-
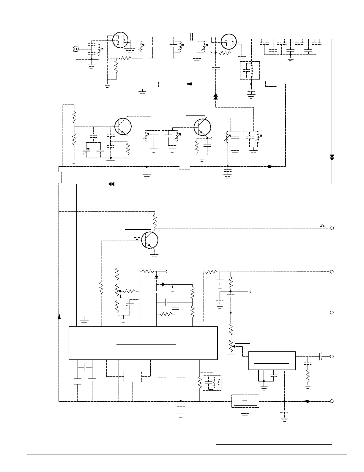
nents as per location diagram and
parts list. Leave the top leads of R3,
R7, R13, and R18 about 1/8" high to
act as test points.
q. Install pots R10 and R20.
They should be held in position while
soldering so shafts are at right an-
gles to board, thereby minimizing
strain on leads when pots are later
secured to front panel.
r. Install L3.
s. Check over all parts and sol-
der connections. If you are missing
any parts, check to see if you have
other parts left over. You may have
installed a wrong value somewhere;
so recheck all values looking for the
missing parts. Color codes and
printed numbers are difficult to read
on many small parts, so special care
is sometimes needed to avoid mixups.
Note that on certain models, some
parts may be marked "not used" in
the parts list.
CRYSTALS.
The channel crystal plugs into
sockets on the board. We can supply
crystals for any frequency desired.
We recommend that any new crystals
be ordered directly from us to be sure
that they will perform properly over
the -30 to +60°C range for which the
unit was designed. If you do order
elsewhere, be sure to supply the fol-
lowing specs.
The receiver uses 32 pF parallel
resonant crystals in HC-25/u hold-
ers. Crystals operate in the funda-
mental mode. The crystal frequency
is as noted in the table below. Fre-
quency tolerance is .001%. If you
use an OV-1 crystal oven, specify a
crystal with a 60°C breakpoint.
Crystal Frequency Formula
R100-50, 46-54 MHz ---------------- (F-10.7)/3
R100-72, 72-76MHz ----------------- (F-10.7)/4
R100-144, 140-175 MHz ----------- (F-10.7)/9
R100-220, 216-225 MHz --------- (F-10.7)/12
Note: If your crystal has a metal
base, avoid pushing the crystal down
tight against the sockets. After in-
stalling a crystal, simply lift it
slightly to be sure the base doesn't
touch the sockets. If you use a crys-
tal oven, when you install it, push it
down over the crystal and stop push-
ing when you feel the oven contact
the top of the crystal.
INSTALLATION.
Power Connections.
The receiver operates on +13.6
Vdc at about 120 mA peak with full
audio. Current drain with no audio is
only about 45 mA. A crystal oven
adds about 450 mA peak current
drain when cold and only about 25
mA when warm. A well regulated
power supply should be used.
Be sure that the power source
does not carry high voltage or reverse
polarity transients on the line, since
semiconductors in the receiver can
be damaged. The positive power sup-
ply lead should be connected to the
receiver at terminal E3, and the
negative power lead should be con-
nected to the ground plane of the
board through the mounting hard-
ware or the shield of the coaxial ca-
ble. Be sure to observe polarity!
Speaker.
An 8-ohm loudspeaker should be
connected to E2 with ground return
through the mounting hardware.
Use of lower impedance speaker or
shorting of speaker terminal can re-
sult in ic damage. The receiver can
also drive higher impedances, like 1K
to 10K input impedances of COR
boards, etc. There is no need to load
down the output to 8 ohms.
Note that the audio output ic is de-
signed to be heatsunk to the pc board
through the many ground pins on the ic.
When running moderately low audio lev-
els as most applications require, it is no
problem to use an ic socket; so we have
provided one for your convenience. If
you will be running high audio levels,
check to see if the ic is getting hot. If so,
you should remove the ic socket, and sol-
der the LM-380N-8 ic directly to the
board for better heatsinking.
Antenna Connections.
The antenna connection should be
made to the receiver with a phono
plug. If you want to extend the an-
tenna connection to a panel connec-
tor, we recommend using a short
length of RG-174/u coax and a good
phono plug with cable clamp (see cata-
log).
We do not recommend trying to
use direct coax soldered to board or
another type of connector. The
method designed into the board re-
sults in lowest loss practical. When
soldering the cable, keep the stripped
ends as short as possible.
MWe recommend you always use
antennas with a matching network which
provides a dc ground on the driven ele-
ment. This reduces chances of static
buildup damaging the input stage of the
receiver as well as providing safety for
the building and other equipment.
OPTIONS.
Repeater Use.
E4 provides a COS (carrier oper-
ated switch) output which may be
connected to a COR module to turn a
transmitter on and off. The output
level is about 8V unsquelched and 0V
squelched. There is a resistor in se-
ries with the output to limit current.
Therefore, the voltage that appears at
the COR board will depend on the
load resistance at the input of that
board. For best results, be sure that
the input resistance of the COR
board is at least 47K. If the input re-
sistance is too low, no damage to the
receiver will occur; but the squelch
circuit hysteresis will be affected.
If your repeater controller uses
discriminator audio, rather than the
speaker output, filtered discriminator
audio is available at E5. The level is
about 2V p-p. Note that discriminator
audio is not de-emphasised. If you
need audio which is squelched, take
it from Repeater Audio terminal E1.
If your controller uses low level
audio and has a high input imped-
ance (20K or higher), squelched au-
dio can be obtained from E1
independent of the VOLUME control.
Discriminator Meter.
If you wish to use a discriminator
meter and you are handy in de-
signing with op-amps, you can run a
sample of the dc voltage at DIS-
CRIMINATOR output terminal E5 to
Specifications of Interest
Frequency Range: R100-50, 46-54 MHz
R100-72, 72-76MHz
R100-144, 140-175 MHz
R100-220, 216-225 MHz
Sensitivity (12dB SINAD): 0.15uV
Squelch Sensitivity: 0.1µV
Selectivity: ±12 kHz at -100dB
Modulation Acceptance: ±7.5 kHz
IF Filters: 8 pole 10.7 MHz crystal filter plus
455 kHz ceramic filter.
Audio Output: 2 Watts (8 ohms).
Operating Power: +13.6Vdc at 45-120 mA,
depending on audio level.
Size: 4 in. W x 3-7/16 in. D (plus pot. shafts)