
WARNING
Risk of Electric Shock.
Disconnect or isolate all power supplies before
making electrical connections. More than one
disconnection or isolation may be required to
completely de-energize equipment. Contact with
components carrying hazardous voltage can cause
electric shock and may result in severe personal injury
or death.
WARNING
Risque de décharge électrique.
Débrancher ou isoler toute alimentation avant
de réaliser un branchement électrique. Plusieurs
isolations et débranchements sont peut-être
nécessaires pour -couper entièrement l'alimentation
de l'équipement. Tout contact avec des composants
conducteurs de tensions dangereuses risque
d'entraîner une décharge électrique et de provoquer
des blessures graves, voire mortelles.
Important: Use this NAE only as an operating
control. Where failure or malfunction of the NAE
could lead to personal injury or property damage
to the controlled equipment or other property,
additional precautions must be designed into the
control system. Incorporate and maintain other
devices, such as supervisory or alarm systems or
safety or limit controls, intended to warn of or
protect against failure or malfunction of the NAE.
Important: Utiliser ce NAE uniquement en tant
que dispositif de contrôle de fonctionnement.
Lorsqu'une défaillance ou un dysfonctionnement
du NAE risque de provoquer des blessures ou
d'endommager l'équipement contrôlé ou un
autre équipement, la conception du système de
contrôle doit intégrer des dispositifs de protection
supplémentaires. Veiller dans ce cas à intégrer de
façon permanente d'autres dispositifs, tels que
des systèmes de supervision ou d'alarme, ou des
dispositifs de sécurité ou de limitation, ayant une
fonction d'avertissement ou de protection en cas de
défaillance ou de dysfonctionnement du NAE.
Important:
• Do not apply 24 VAC power to the network engine
before completing and checking connections.
Short circuits or improperly connected wires may
result in permanent damage to the equipment.
• Do not apply 24 VAC power to the network engine
before installing the data protection battery. See
the Installing the data protection battery section
in this document.
• Use copper conductors only. Make all wiring in
accordance with local, national, and regional
regulations.
• The network engine is a low-voltage (<30 VAC)
device. Do not exceed the network engine
electrical ratings. Applying high voltage to the
network engine may result in permanent damage
to the network engine and void any warranties.
• Do not remove the terminal block keys. The
terminal block plugs and the terminal sockets are
keyed to fit together in the correct configuration
only.
• Prevent any static electric discharge to the
network engine. Static electric discharge can
damage the network engine and void any
warranties.
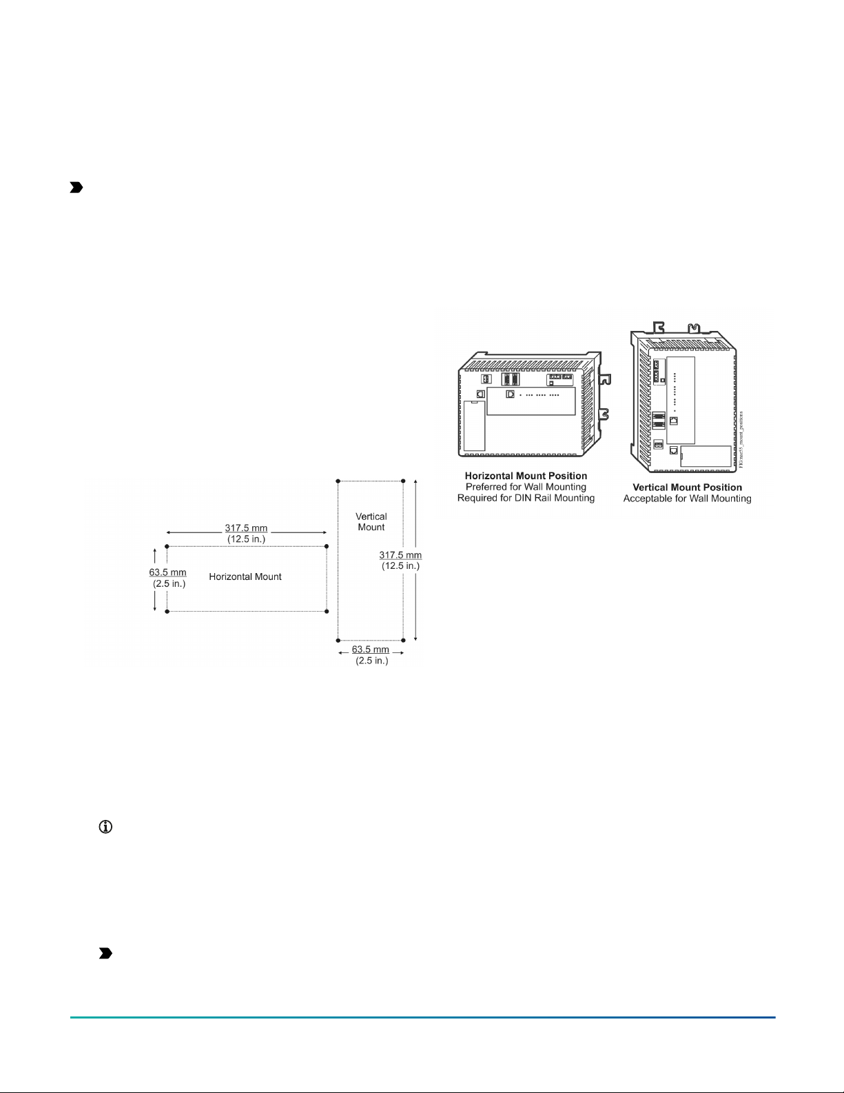
Follow these guidelines when wiring the network engine:
• Route the supply power wires and communication
cables at least 50 mm (2 in.) away from the vent slots in
the sides of the network engine housing.
• Provide slack in the wires and cables. Keep cables
routed neatly around the network engine to promote
good ventilation, LED visibility, and ease of service.
• Ensure that the building automation network wiring
meets the specifications, rules, and guidelines as
outlined in the Wiring considerations and guidelines for
network integrations section. The network engine does
not require an earth ground connection.
• Follow the transformer manufacturer’s instructions
and the project installation drawings. Power supply
wire colors may be different on transformers not
manufactured by Johnson Controls.
• While connecting network devices to 24 VAC power,
make sure that transformer phasing is uniform across
all devices. Powering network devices with uniform 24
VAC supply power phasing reduces noise, interference,
and ground loop problems.
Connecting MS/TP or N2 bus devices
To connect devices to the MS/TP Field Controller (FC) Bus
or N2 Bus, complete the following steps:
1. Connect the 3-wire bus cable to the removable blue
4-pin terminal block labeled FC-A as shown in the
following figure.
NAE55 Installation Guide 5