
4
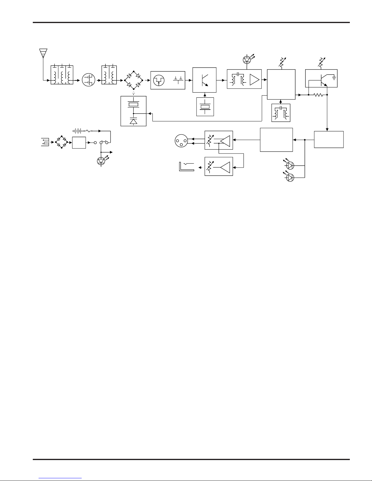
The Dual Band Compandor is driven by a multiple pole active low-pass filter. The filter ensures that supersonic noise
will not cause the compandor to increase gain incorrectly. This filter also drives the -20dB and 0dB modulation LEDs.
Traditionally, compandors have been a source of distortion in wireless microphone systems. The basic problem with
conventional systems is that the attack and decay times are always a compromise. If the time constants are fast, high
frequency transients will not be distorted, but this will cause low frequency distortion. If the time constants are slower,
low frequency audio distortion will be low, but high frequency transients will then be distorted. The 190 system
introduces an entirely new approach to solving this basic problem, called “dual-band companding.”
There are actually two separate compandors in the 195 system, one for high frequencies and one for low frequencies.
A crossover network separates the frequency bands at 1kHz with a 6dB per octave slope, followed by separate high
and low frequency compandors. The attack and release times in the high frequency compandor are fast enough to
keep high frequency transient distortion at a low level, and the low frequency compandor uses slower time constants,
reducing low frequency distortion to well below that of a conventional compandor.
The compandor senses the signal level, and dynamically increases the gain for loud signals or decreases the gain for
soft signals. In this way, the original dynamic range of the transmitted signal is restored, while preserving a high
signal-to-noise ratio. The expansion ratio is 2:1, which produces a 2dB change in output signal level for a 1dB
change in input level.
The balanced microphone level output circuit generates a truly balanced signal at the XLR output connector. The
volume control is a balanced attenuator, and gives a gain range from -20dBV (at full modulation) in the fully clockwise
position to -50dBV in the fully counter-clockwise position. In addition, the headphone circuit is driven from the
microphone circuit. This means that the headphone output level is dependent not only on the headphone volume
control, but also the microphone level control.
CONTROLS AND FUNCTIONS
RECEIVER FRONT PANEL
MODULATION LEDs
Indicate the modulation (audio level) of the incoming signal, and can be used for proper adjustment of the
transmitter’s “MIC LEVEL”or “GAIN”. The -20 LED glows when the transmitter modulation is at a high enough level to
produce a good audio signal-to-noise ratio. It will normally flicker, or stay lit as you speak into the microphone. The
0dB lamp indicates a “peak,”showing that the transmitter modulation is at maximum. Constant lighting may indicate
that the audio gain in the transmitter may be set too high. It is normal and desirable that you see an occasional flicker
of the 0dB lamp in typical use.
OUTPUT CONTROL
Attenuates the audio output level of the receiver to match the input requirements of the equipment with which it is
used. The XLR output jack on the rear panel provides an audio output at microphone level for low impedance,
balanced inputs. At the extreme counter-clockwise position of the control knob, the output level of this XLR jack will
be 50dB at full modulation. In the fully clockwise position, the output level will be -20dB at full modulation. Intermedi-
ate settings are sometimes necessary due to the variations in different input compressors and ALC (automatic level
control) circuits on various VCR’s and audio inputs. The markings around the control knob are provided simply as
“memory markers;”they are not calibrated with reference to a specific output level.
LECTROSONICS
-
50 dBV
-
20
-
20 0dB
MODULATION
OUTPUT
OFF
EXT
POWER RF
INT
BATT
Headphone adjustment
on side panel.
UCR190