
5
dc1537af
DEMO MANUAL DC1537A
Information furnished by Linear Technology Corporation is believed to be accurate and reliable.
However, no responsibility is assumed for its use. Linear Technology Corporation makes no representa-
tion that the interconnection of its circuits as described herein will not infringe on existing patent rights.
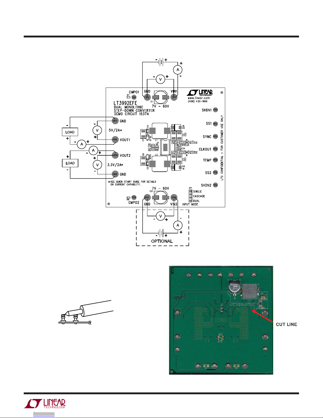
SCHEMATIC DIAGRAM
5
5
4
4
3
3
2
2
1
1
D D
C C
B B
A A
9$
NOTES: UNLESS OTHERWISE SPECIFIED,
OPT
7V - 60V
OPT
237,21$/&,5&8,7
OPT
OPT
OPT OPT
OPT
OPT
7V - 60V
(300kHz)
OPT
[1] SEE QUICK START GUIDE FOR DETAILS ON JP1 SETTING
AND INPUT VOLTAGE IMPLEMENTATION ORDER.
OPT
[1]
2. ALL CAPACITORS ARE 0402.
ALL RESISTORS ARE 0402.
*
*
SEE QUICK START GUIDE FOR DETAILS ON
CURRENT CAPABILITY.
*
VOUT1 VOUT2
VOUT1
VIN1
VIN1 VIN2VOUT1
VIN1 VIN1
VIN2
VOUT2
6,=(
'$7(
,&12 5(9
6+((7 2)
7,7/(
$33529$/6
3&%'(6
$33(1*
TECHNOLOGY )D[
0LOSLWDV&$
3KRQH
0F&DUWK\%OYG
/7&&RQILGHQWLDO)RU&XVWRPHU8VH2QO\
&86720(5127,&(
/,1($57(&+12/2*<+$60$'($%(67())25772'(6,*1$
&,5&8,77+$70((76&86720(56833/,('63(&,),&$7,216
+2:(9(5,75(0$,167+(&86720(565(63216,%,/,7<72
9(5,)<3523(5$1'5(/,$%/(23(5$7,21,17+($&78$/
$33/,&$7,21&20321(1768%67,787,21$1'35,17('
&,5&8,7%2$5'/$<2870$<6,*1,),&$17/<$))(&7&,5&8,7
3(5)250$1&(255(/,$%,/,7<&217$&7/,1($5
7(&+12/2*<$33/,&$7,216(1*,1((5,1*)25$66,67$1&(
7+,6&,5&8,7,635235,(7$5<72/,1($57(&+12/2*<$1'
6&+(0$7,&
6833/,(')2586(:,7+/,1($57(&+12/2*<3$576
6&$/( 121(
ZZZOLQHDUFRP
Tuesday, January 17, 2012
DUAL MONOLITHIC STEP-DOWN
JW
EDWIN L.
1$
LT3992EFE
DEMO CIRCUIT 1537A
CONVERTER
6,=(
'$7(
,&12 5(9
6+((7 2)
7,7/(
$33529$/6
3&%'(6
$33(1*
TECHNOLOGY )D[
0LOSLWDV&$
3KRQH
0F&DUWK\%OYG
/7&&RQILGHQWLDO)RU&XVWRPHU8VH2QO\
&86720(5127,&(
/,1($57(&+12/2*<+$60$'($%(67())25772'(6,*1$
&,5&8,77+$70((76&86720(56833/,('63(&,),&$7,216
+2:(9(5,75(0$,167+(&86720(565(63216,%,/,7<72
9(5,)<3523(5$1'5(/,$%/(23(5$7,21,17+($&78$/
$33/,&$7,21&20321(1768%67,787,21$1'35,17('
&,5&8,7%2$5'/$<2870$<6,*1,),&$17/<$))(&7&,5&8,7
3(5)250$1&(255(/,$%,/,7<&217$&7/,1($5
7(&+12/2*<$33/,&$7,216(1*,1((5,1*)25$66,67$1&(
7+,6&,5&8,7,635235,(7$5<72/,1($57(&+12/2*<$1'
6&+(0$7,&
6833/,(')2586(:,7+/,1($57(&+12/2*<3$576
6&$/( 121(
ZZZOLQHDUFRP
Tuesday, January 17, 2012
DUAL MONOLITHIC STEP-DOWN
JW
EDWIN L.
1$
LT3992EFE
DEMO CIRCUIT 1537A
CONVERTER
6,=(
'$7(
,&12 5(9
6+((7 2)
7,7/(
$33529$/6
3&%'(6
$33(1*
TECHNOLOGY )D[
0LOSLWDV&$
3KRQH
0F&DUWK\%OYG
/7&&RQILGHQWLDO)RU&XVWRPHU8VH2QO\
&86720(5127,&(
/,1($57(&+12/2*<+$60$'($%(67())25772'(6,*1$
&,5&8,77+$70((76&86720(56833/,('63(&,),&$7,216
+2:(9(5,75(0$,167+(&86720(565(63216,%,/,7<72
9(5,)<3523(5$1'5(/,$%/(23(5$7,21,17+($&78$/
$33/,&$7,21&20321(1768%67,787,21$1'35,17('
&,5&8,7%2$5'/$<2870$<6,*1,),&$17/<$))(&7&,5&8,7
3(5)250$1&(255(/,$%,/,7<&217$&7/,1($5
7(&+12/2*<$33/,&$7,216(1*,1((5,1*)25$66,67$1&(
7+,6&,5&8,7,635235,(7$5<72/,1($57(&+12/2*<$1'
6&+(0$7,&
6833/,(')2586(:,7+/,1($57(&+12/2*<3$576
6&$/( 121(
ZZZOLQHDUFRP
Tuesday, January 17, 2012
DUAL MONOLITHIC STEP-DOWN
JW
EDWIN L.
1$
LT3992EFE
DEMO CIRCUIT 1537A
CONVERTER
REVISION HISTORY
DESCRIPTION DATE APPROVEDECO REV
EDWIN L.
PRODUCTION201-17-12
REVISION HISTORY
DESCRIPTION DATE APPROVEDECO REV
EDWIN L.
PRODUCTION201-17-12
REVISION HISTORY
DESCRIPTION DATE APPROVEDECO REV
EDWIN L.
PRODUCTION201-17-12
D7
OPT
D7
OPT
R1
1k
1%
0603
R1
1k
1%
0603
C3
2.2uF
100V
1210
C3
2.2uF
100V
1210
C24
10nF
C24
10nF
TP14
CLKOUT
TP14
CLKOUT
TP16
VIN2
TP16
VIN2
C2
2.2uF
100V
1210
C2
2.2uF
100V
1210
JP1
SINGLE
DUAL
INPUT MODE
CASCADE
JP1
SINGLE
DUAL
INPUT MODE
CASCADE
1
3
2
4
TP2
GND
TP2
GND
TP1
VIN1
TP1
VIN1
L2
10uH
L2
10uH
TP12
SS2
TP12
SS2
+
C21
22uF
100V
+
C21
22uF
100V
R15
7.32k
1%
R15
7.32k
1%
D1
MMSD701T1G
D1
MMSD701T1G
TP11
SS1
TP11
SS1
C23
2.2uF
100V
1210
C23
2.2uF
100V
1210
TP10
CMPO2
TP10
CMPO2
R2
1k
1%
0603
R2
1k
1%
0603
10uF
C6
16V
0805
10uF
C6
16V
0805
C17 33pFC17 33pF
R7
100K
R7
100K
U1
LT3992EFE
U1
LT3992EFE
SW1
38
DIV
27
VC2 26
SS2 24
FB1
9FB2 11
CMPI2 12
CMPO2 13
BST2 14
CMPI1
8
IND2 18
SW2 20
VIN2 22
SHDN2 23
VOUT2 16
CMPO1
7
BST1
6
ILIM1
33
TJ 28
CLKOUT 29
RT/SYNC
30
VC1
32
VOUT1
4
SHDN1
35
VIN1 36
PGND
39
SS1
34
IND1
2
ILIM2 25
NC
10
NC
15
NC 21
NC 31
NC
1
NC
3
NC
5
NC 17
NC 19
NC 37
D6
MMSD701T1G
D6
MMSD701T1G
C22
2.2uF
100V
1210
C22
2.2uF
100V
1210
+
C1
22uF
100V
+
C1
22uF
100V
C16 33pFC16 33pF
C4 0.47uF
0603
C4 0.47uF
0603
TP5
VOUT1
5V/2A TP5
VOUT1
5V/2A
TP15
TEMP
TP15
TEMP
100uF
C7
10V
1210
100uF
C7
10V
1210
D4
B360B
D4
B360B
R8
100K
R8
100K
R16
20k
1%
R16
20k
1%
R6
24.9K
1%
R6
24.9K
1%
100uF
C8
10V
1210
100uF
C8
10V
1210
TP8
GND
TP8
GND
D5
MMSD701T1G
D5
MMSD701T1G
L3 22uHL3 22uH
TP6
VOUT2
TP6
VOUT2
C12
0.1uF
C12
0.1uF
R11 100K 1%
R11 100K 1%
R14 30k 1%R14 30k 1%
R9 8.06K 1%R9 8.06K 1%
10uF
C9
16V
0805
10uF
C9
16V
0805
C5 0.47uF
0603
C5 0.47uF
0603
TP7
GND
TP7
GND
+
C18
22uF
100V
+
C18
22uF
100V
D2
B360B
D2
B360B
TP17
GND
TP17
GND
TP9
CMPO1
TP9
CMPO1
R10 8.06K 1%R10 8.06K 1%
C25
10nF
C25
10nF
C19
0.01uF
0603
100V
C19
0.01uF
0603
100V
C10
22pF
C10
22pF
TP13
SYNC
TP13
SYNC
D8
OPT
D8
OPT
C14 680pFC14 680pF
R17
40.2k
1%
R17
40.2k
1%
TP3
SHDN1
TP3
SHDN1
R18
OPT
R18
OPT
R5
42.2K
1%
R5
42.2K
1%
FB1 BEADFB1 BEAD
R13 30k 1%R13 30k 1%
C20
2.2uF
100V
1210
C20
2.2uF
100V
1210
L1
22uH
L1
22uH
TP4
SHDN2
TP4
SHDN2
R12 100K 1%R12 100K 1%
D3
MMSD701T1G
D3
MMSD701T1G
C11
22pF
C11
22pF
C13
0.1uF
C13
0.1uF
C15 680pFC15 680pF
Downloaded from Arrow.com.Downloaded from Arrow.com.Downloaded from Arrow.com.Downloaded from Arrow.com.Downloaded from Arrow.com.