MagicBox V1R2B Bedienungsanleitung

Assembly Manual
V1R2B-Rev1.0D
for 4 State QRP
Mag cBox - Sol d State Transm t/Rece ve System
Designed by: Jim Kortge, K8IQY
Copyright 2009-2012 - A rights reserved
This system is the resu t of some brainstorming with Terry F etcher, WA0ITP and Joe Porter, W0MQY
at the Dayton Hamvention in 2009. We were ta king about kits that might be suitab e as revenue
generators to fund the Ozarkcon activities in 2010 and beyond. The "MagicBox" project is the resu t.
It is an a so id state, Transmit/Receive switching system that a ows one to connect sing e band CW
transmitters (up to a maximum of 10 watts) and receivers together to turn the pair into a transceiving
station, " ike magic". The system can be used on any band from 160 through 10 meters. It can hand e
both so id state and cathode keyed, tube transmitters. It supports fu QSK CW up to about 50 WPM.
And, a non-QSK mode is a so provided, for those who don't ike QSK CW.
There are five pieces of functiona ity within the system. First, is a keying circuit to turn on the
transmitter. Second, is a PIN diode switch used to connect the transmitter to the antenna so that it can
transmit and a so to iso ate the output impedance of the transmitter from oading the receiver. Third, is
a four e ement, series-shunt switch that disconnects the receiver from the antenna and shorts the
receiver input to ground whi e the transmitter is transmitting. Forth, is another series-shunt switch
(three e ements) used to disconnect the receive audio from the speaker (headphones) during transmit.
Fifth, is an sine wave audio osci ator and series switch that supp ies side tone audio to the speaker
(headphones) during transmit so that transmit keying can be monitored. A of the contro timing for
the system is supp ied from an AVR ATtiny2313 microprocessor.
1

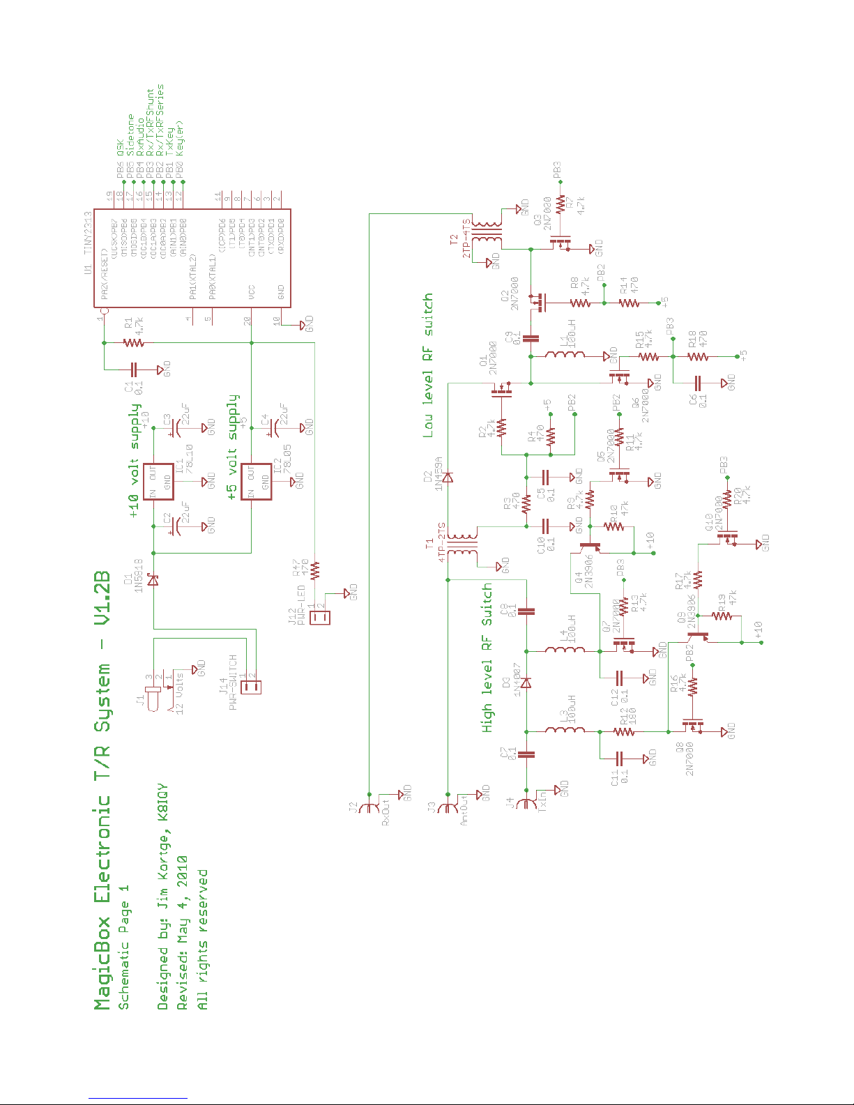
The next pages contain an image of the supp ied printed circuit board and the schematics for the
system.
2

3

4

PCB Stuff ng
Stuffing the PCB wi be done by insta ing a of the connectors and headers. Fo owing that, a of the
resistors wi be insta ed, starting from the owest va ue and proceeding to the highest. Then, a of the
capacitors wi be insta ed, using the same scheme. That wi be fo owed by the inductors and
transformers, and then the diodes. When a of the passive parts are on the board, groups of integrated
circuits and transistors wi be insta ed fo owed by simp e tests to assure that circuits are active and
performing to specification. It is high y suggested that you print out both schematic sheets and use a
high ighter to mark each component as it is insta ed. This wi assist you ater on if you have parts eft
over and wonder where they were supposed to go.
Connectors and Headers
[ ] Start construction by insta ing Power Jack J1. Ho d this part toward the rear of the PCB so that is
projects out from beyond the edge of the board.
[ ] Insta the 4 audio jacks at ocations J5, J6, J8 and J9.
[ ] Insta the 3 BNC jacks at ocations J2, J3 and J4.
[ ] Insta a 2-pin header at ocations J7, J11, J12, J13 and J14. Supp ied with the kit is a break-a-way
20-pin header to be used for the 2-pin and the 3-pin headers. Use sharp diagona cutters or a hobby
razor saw to make the appropriate cuts.
[ ] Insta a 3-pin header at J10.
[ ] Insta the 20-pin IC socket at ocation U1. Make sure to get the orientation correct; match the
notch in the socket with that of the si kscreen over ay. Once it is so dered in, it cannot be removed
without destroying the printed circuit board.
5

Your PCB shou d ook ike this:
Res stors
[ ] Insta the arge, 1 watt, 180 Ohm (Brown-Grey-Brown) resistor at R12. This is the on y 1 watt
resistor; a of the others are 1/4 watt. Note: The eads of this resistor shou d be bent as
shown in this detai ed photo, so that it wi fit the ho e pattern and s ight y e evate the
resistor above the board for coo ing.
[ ] Insta 220 Ohm (Red-Red-Brown) resistors at R36, R43 and R44.
[ ] Insta 470 Ohm (Ye ow-Vio et-Brown) resistors at R3, R4, R14, R18, R35, R40, R42, R47 and
R48.
[ ] Insta 4.7K Ohm (Ye ow-Vio et-Red) resistors at R1, R2, R7, R8, R9, R11, R13, R15 (next to
R18), R16, R17, R20, R21, R22, R23, R24, R26, R27, R28, R29, R30, R31, R33, R34, R37, R38, R39,
R41, R45 and R49. Since there are so many resistors of this va ue, it is suggested that they be insta ed
in groups of 7, 7, 7 and then the remaining 8, shown by the co ored high ights.
[ ] Insta the 36K Ohm (Orange-B ue-Orange) resistor at R25.
[ ] Insta 47K Ohm (Ye ow-Vio et-Orange) resistors at R10 and R19.
[ ] Insta the 10M Ohm (Brown-B ack-B ue) resistor at R46.
6

[ ] Insta the 1K trimmer resistor (b ue potentiometer) at R32.
Your PCB shou d now ook ike this:
Capac tors
[ ] Insta 0.02 uF (green co or - marked 2A203K) at C19, C20 and C21.
[ ] Insta 0.1 uF (tan co or - marked 104) capacitors at C1, C5, C6, C7, C8, C9, C10, C11 and C12.
[ ] Insta 2.2 uF (b ack co or - marked 2u2) capacitors at C13, C22, C24 and C27. Note the + po arity
marking on these capacitors; they need to be insta ed with this + matching the + on the PCB.
[ ] Insta 22 uF (b ack co or - marked 22uF) capacitors at C2, C3, C4, C17 and C28. Note the +
po arity marking on these capacitors; they need to be insta ed with this + matching the + on the PCB.
[ ] Insta 33 uF (b ack co or - marked 33uF, 6.3v, non-po ar) capacitors at C25 and C26.
[ ] Insta 47 uF (b ack co or - marked 47uF, 6.3v, non-po ar) capacitors at C15, C16 and C23.
[ ] Capacitors for ocations C14 and C18 are not needed nor provided.
7

Your PCB shou d now ook ike this:
8

Inductors/Transformers
[ ] Insta 100 uH (beige co or - marked Brown-B ack-Brown) mo ded inductors at L1, L3 and L4.
These ook a bit ike fat, 1/4 watt resistors.
[ ] Wind and insta transformers T1 and T2. The "Winding T1 and T2" page contains notes on winding
these transformers, a ong with some photos of their construction.
Your PCB shou d now ook ike this:
9

D odes
[ ] Insta the 1N5818 (b ack body - marked 1N5818) diode at D1.
[ ] Insta the 1N459A (b ack body - marked 1N459A) diode at D2. Save one lead from this diode so
that it can be used as a jumper on the IC socket U1 later on in a testing stage.
[ ] Insta the 1N4007 (b ack body - marked 1N4007) diode at D3.
Your PCB shou d now ook ike this:
10
Inhaltsverzeichnis

















