
1.0 GENERAL INFORMATION FOR INSTALLATION AND OPERATIONS
2
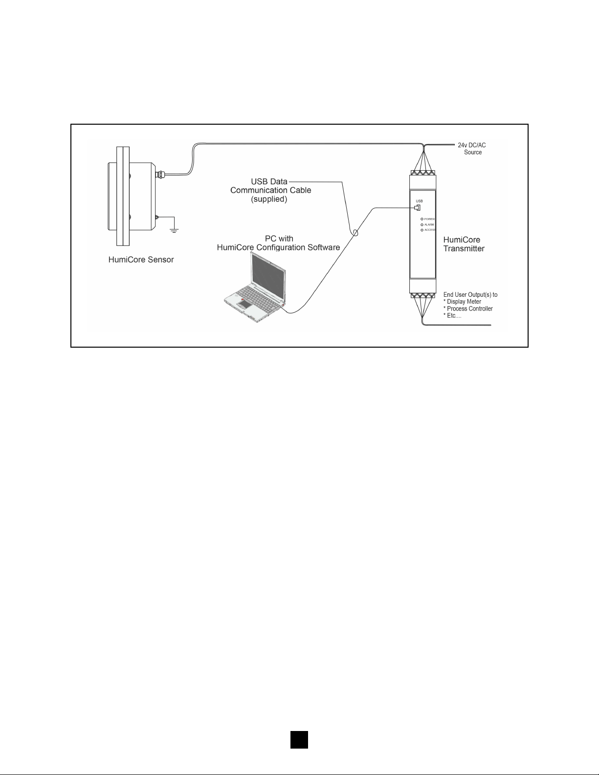
TABLE OF CONTENTS
This manual contains instructions that must be observed to ensure personal safety as well as to avoid dam-
age to the instrument. This device left the plant in optimal condition. To preserve this condition and ensure
safe operation of the device, the user must observe the instructions and warning notes indicated in this
operating manual. Please read this manual carefully prior to installation and commissioning.
NOTE: For the sake of clarity the manual does not contain complete detailed information on all product
types and can therefore not take into account every conceivable case with respect to installation, operation
and maintenance.
Should you wish further information or should special problems arise that are not treated in sufcient detail
in the manual, you can obtain the necessary information by contacting Technical Support at Monitor Tech-
nologies, LLC.
Moreover, we point out that the content of the manual shall not constitute part of or amend a previous or
existing contract, agreement or legal relationship. All obligations of Monitor Technologies, LLC shall result
from the respective contract of purchase, which also contains the complete and solely valid warranty terms.
These contractual warranty terms shall neither be extended nor limited by the information contained in the
manual.
WARNING: The device may only be used for the purposes specied in this operating manual.
DISCLAIMER: All modications to the device fall within the responsibility of the user unless expressly
specied otherwise in the operating manual.
Qualied Personnel
The assembly/disassembly, installation, operation, and maintenance are to be performed by qualied per-
sonnel practicing in the automation industry. This includes persons who are familiar with installation, as-
sembly, repair and operation of the industrial instrumentation and have the qualications necessary for their
work, such as:
• Training, instruction and/or authorization to operate and maintain equipment/systems in accordance
with the standards of safety technology for electrical circuits, high pressures and corrosive as well as
hazardous media.
• In the case of equipment with explosion protection: training, instruction and/or authorization to per-
form work on electrical circuits for potentially explosive equipment.
• Training or instruction in accordance with the standards of safety technology regarding care and use
of appropriate safety equipment.
Section Page
1.0 General Information ............................... 2
2.0 Principle of Operation ............................ 3
3.0 System Structure ................................... 3
3.1 Description of Sensor ......................... 4
3.2 Description of Transmitter ................. 4
4.0 Mounting and Assembly ....................... 5
4.1 Mounting in Screw Conveyor ............ 5
4.2 Indirect Installation ............................. 6
4.3 Mounting at Measurement Window
or Separation Layer ............................ 6
4.4 Mounting at Conveyor Belt .................. 7
4.5 TBUS Connector ............................... 7
5.0 Electrical Installation ............................. 8
6.0 Calibration .............................................. 9
6.1 Overview ............................................. 9
Section Page
6.2 Programming and Calibration
Hardware Set Up ............................ 10
6.3 Programming, Set Up
and Calibration ................................ 10
7.0 HumiCore™Pro Conguration
Program Screens ................................. 16
7.1 Products .......................................... 16
7.2 Digital Inputs .................................... 19
7.3 Analog Output ................................. 20
7.4 MAX-Alarm ...................................... 22
7.5 System ............................................ 23
8.0 Mechanical Drawings .......................... 24
9.0 Technical Specications ..................... 25
10.0 Warranty ............................................... 28