(1/72)
EXTERNAL CONTROL NECLCDMonitor
Rev.3.8
INDEX
I.Application
................................................................................3
II. Preparation
...............................................................................4
2. Connectors and wiring
....................................................................4
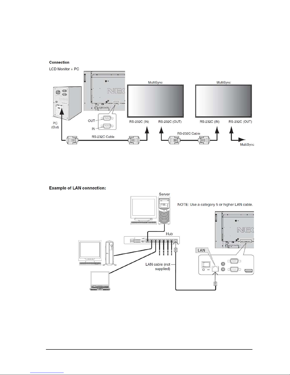
2.1 RS-232C Remote control
...............................................................4
2.2 LAN control
...........................................................................4
III. Communication specification
...............................................................5
3. Communication Parameter
................................................................5
3.1 RS-232C Remote control
...............................................................5
3.2 LAN control
...........................................................................5
3.3 Communication timing
.................................................................5
4. Communication Format
...................................................................6
4.1 Header block format (fixed length)
......................................................7
4.2 Message block format
.................................................................9
4.3 Check code
..........................................................................11
4.4 Delimiter
............................................................................12
5. Message type
...........................................................................13
5.1 Get current Parameter from a monitor.
.................................................13
5.2 "Get parameter" reply
.................................................................14
5.3 Set parameter
........................................................................15
5.4 "Set parameter" reply
.................................................................16
5.5 Commands
...........................................................................17
5.5.1
Save Current Settings
.............................................................17
5.5.2 Get Timing Report and Timing reply.
................................................18
5.5.3 NULL Message
....................................................................19
IV. Control Commands
.......................................................................20
6. Typical procedure example
...............................................................20
6.1. How to change the “Backlight”setting.
................................................20
6.2. How to read the measurement value of the built-in temperature sensors.
..................23
6.3. Operation Code (OP code) Table
.......................................................26
7. Power control procedure
.................................................................36
7.1 Power status read
....................................................................36
7.2 Power control
........................................................................38
8. Asset Data read and write
................................................................40
8.1 Asset Data Read Request and reply
....................................................40
8.2 Asset Data write
.....................................................................42