
10
I
Per eseguire una facile e corretta programmazione è indispensabile seguire
passo per passo le seguenti istruzioni:
1.
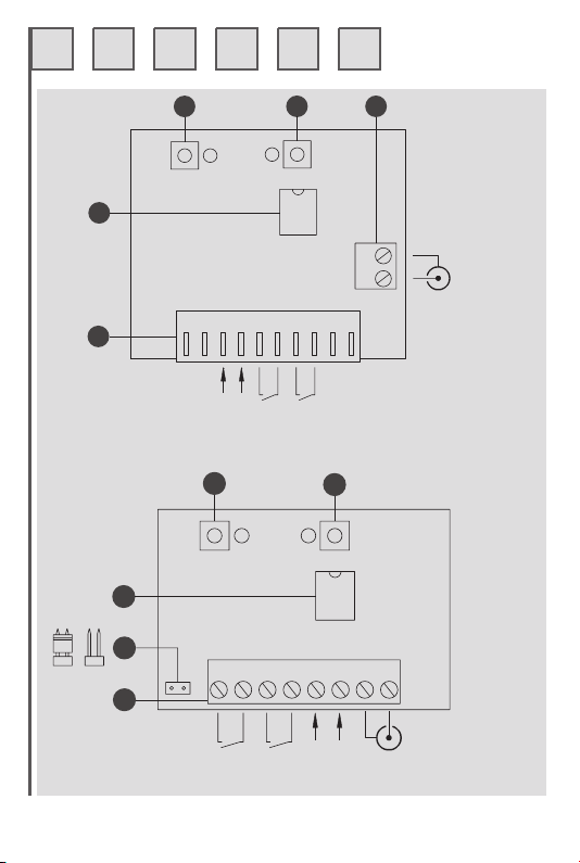
Operazioni preliminari
- Impostare nei telecomandi TANGO SW un codice a piacere; nella serie
BLEUilcodiceè giàpreimpostato infabbrica.
- Collegare sul ricevitore un’antenna accordata al morsetto relativo
all’antenna, in alternativa, diminuendo le caratteristiche del ricevitore,
puòessere collegatouno spezzonedi filo lung 20 cm.
- Una volta inserito il ricevitore nella centralina oppure effettuato i
collegamentinecessari nellamorsettiera, dare alimentazione.
- Appena viene data l’alimentazione il ricevitore compie un test interno
accendendoper 3secondi illed L2.
2. Autoapprendimento
- Premere per un’attimo il tasto P1, il led relativo
emetterà una serie di 5 lampeggi.
- Entro questo periodo trasmettere con il teleco-
mando che si vuole utilizzare.
- L’accensione fissa del led per circa 3 secondi indica che il codice è
stato appreso con successo.
-
Il led riprende a lampeggiare aspettando un nuovo telecomando d
,il
ricevitore esce automaticamente dalla fase di programmazione.
memorizzare, se dopo altri 5 lampeggi non ne riceve nessuno
Il nostro trasmettitore e ricevitore sono già funzionanti!
- Seguire la stessa procedura anche per gli altri tasti P.
3. Significato dei lampeggi dei led
- L2 acceso per 3 secondi: è appena stata data alimentazione al ricevitore.
- Breve lampeggio di un led: è stato trasmesso con un telecomando
correttamente memorizzato, e si attiva il rispettivo relè.
PROGRAMMAZIONE STANDARD
1
P1L1
10
I
Per eseguire una facile e corretta programmazione è indispensabile seguire
passo per passo le seguenti istruzioni:
1.
Operazioni preliminari
- Impostare nei telecomandi TANGO SW un codice a piacere; nella serie
BLEUil codiceè giàpreimpostato infabbrica.
- Collegare sul ricevitore un’antenna accordata al morsetto relativo
all’antenna, in alternativa, diminuendo le caratteristiche del ricevitore,
puòessere collegatouno spezzonedi filo lung 20 cm.
- Una volta inserito il ricevitore nella centralina oppure effettuato i
collegamentinecessari nellamorsettiera, dare alimentazione.
- Appena viene data l’alimentazione il ricevitore compie un test interno
accendendoper 3secondi illed L2.
2. Autoapprendimento
- Premere per un’attimo il tasto P1, il led relativo
emetterà una serie di 5 lampeggi.
- Entro questo periodo trasmettere con il teleco-
mando che si vuole utilizzare.
- L’accensione fissa del led per circa 3 secondi indica che il codice è
stato appreso con successo.
-
Il led riprende a lampeggiare aspettando un nuovo telecomando d
,il
ricevitore esce automaticamente dalla fase di programmazione.
memorizzare, se dopo altri 5 lampeggi non ne riceve nessuno
Il nostro trasmettitore e ricevitore sono già funzionanti!
- Seguire la stessa procedura anche per gli altri tasti P.
3. Significato dei lampeggi dei led
- L2 acceso per 3 secondi: è appena stata data alimentazione al ricevitore.
- Breve lampeggio di un led: è stato trasmesso con un telecomando
correttamente memorizzato, e si attiva il rispettivo relè.
PROGRAMMAZIONE STANDARD
1
P1L1