2
3) Abb. 1: Die Schrauben Aam Anschlusskasten lösen
und den Deckel Babnehmen.
4) Die entsprechend zugeschnittene Anschlussleitung
durch die Kabelverschraubung Cführen. Nulleiter (N),
Phase (L1) und Schutzleiteranschluss Oan die ent-
sprechend markierten Kontakte der Anschlussklemme D
anschließen.Vergleichen Sie die örtliche Spannung und
Frequenz mit den Daten auf dem Leistungsschild.
5) Die Kabelverschraubung Cfest anziehen, den Deckel B
aufsetzen und die Schrauben Afest anziehen.
6) Abb. 2: Die Schrauben Elösen, den Rahmen Faufklap-
pen, die Rändelschrauben Glösen, den Linsenhalter H
aufklappen und die Lampe einsetzen. Setzen Sie aus-
schließlich den auf dem Leistungsschild angegebenen
Lampentyp ein.
7) Den Linsenhalter Hzuklappen, die Rändelschrauben G
festziehen, den Rahmen Fwieder schließen und mit
den Schrauben Ebefestigen.
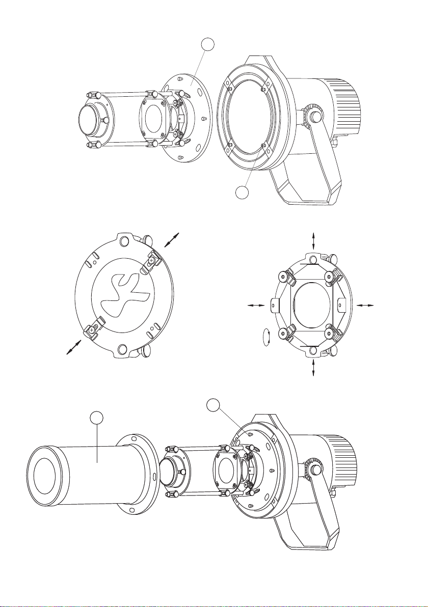
8) Abb.3: Die Schrauben Ilösen, die Abdeckung Jnach
links drehen und von der Befestigung EZ Kabnehmen.
9) Abb. 4: Die Schrauben Lin den Rahmen des Schein-
werfers leicht eindrehen, die Befestigung EZ Kmit der
Markierung zum Scharnier des Scheinwerfers ausrich-
ten, auf den Rahmen aufsetzen und die Schrauben L
fest anziehen.
10) Abb. 5: Jetzt kann, falls vorhanden, ein Gobo einge-
setzt werden.
11) Abb. 6.1 und Abb. 6.2: Der Konturenschieber oder
Gobohalter wird ganz an die Befestigungsplatte ge-
schoben und mit den Rändelschrauben fixiert.
Linse 1 wird nach vorn geschoben und mit den Rändel-
schrauben fixiert.
Linse 2 wird in die Anfangsposition (60 mm von dem
Konturenschieber oder Gobohalter) gebracht und mit
den Rändelschrauben fixiert. Um die Abbildung scharf
zu stellen, wird die Linse 2 so weit nach vorn gescho-
ben, bis die Abbildung des Gobo’s bzw. Konturen-
schiebers scharf abgebildet wird.
3) Fig. 1: Loosen the screws Aof the connection box and
take off the cover B.
4) Insert the corresponding cut connection cable through
the cable gland C. Connect the neutral conductor (N),
phase (L1) and earthing Oto the corresponding
marked contacts of the terminal clamp D.
Compare the local voltage and frequency with the data
mentioned on the label of the luminaire.
5) Firmly tighten the cable cland C, replace the cover B
and firmly tighten the screws A.
6) Fig. 2: Loosen the screws E, open frame F, loosen
knurled head screws G, open lens holder Hand insert
lamp. Lamp performance and lamp base have to corre-
spond with the data mentioned on the label of the
luminaire.
7) Close lens holder H, firmly tighten knurled head screws
G, close frame Fand firmly tighten screws E.
8) Fig. 3: Loosen screws I, twist cover Jto the left and
take it off from the fixing EZ K.
9) Fig. 4: Lightly screw in the screws Linside the frame of
the floodlight, adjust the fixing EZ Kwith the mark
pointing in direction of the hinge, put on to the frame
and firmly tighten screws L.
10) Fig. 5: Now, if applicable, a Gobo can get assembled.
11) Fig. 6.1 and fig. 6.2: Completely push the contour slid-
er or Gobo holder to the fixing plate and fix it with the
knurled head screws.
Push lens 1 forward and fix it with the knurled head
screws.
Bring lens 2 into start position (60 mm away from the
contour slider or Gobo holder) and fix it with the
knurled head screws. To get a clear figure the lens 2
must be pushed as far forwards until the figure of the
Gobo´s resp. the contour slider is clear.
For a fine adjustment loosen the middle knurled head
screw of lens 1 and complete the fine adjustment by
twisting of the lens holder.