
CY7C1380D, CY7C1382D
CY7C1380F, CY7C1382F
Document #: 38-05543 Rev. *F Page 8 of 34
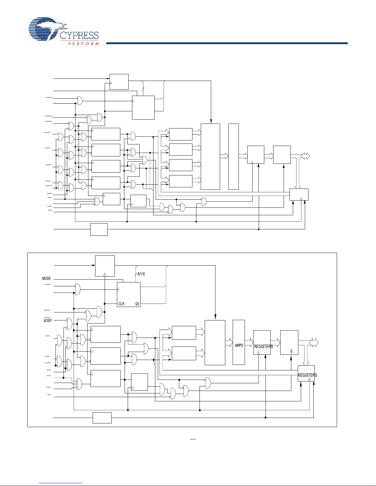
Functional Overview
All synchronous inputs pass through input registers controlled by
the rising edge of the clock. All data outputs pass through output
registers controlled by the rising edge of the clock. Maximum
access delay from the clock rise (tCO) is 2.6 ns (250 MHz device).
The CY7C1380D/CY7C1382D/CY7C1380F/CY7C1382F
supports secondary cache in systems using a linear or inter-
leaved burst sequence. The interleaved burst order supports
Pentium and i486™processors. The linear burst sequence suits
processors that use a linear burst sequence. The burst order is
user selectable, and is determined by sampling the MODE input.
Accesses can be initiated with either the processor address
strobe (ADSP) or the controller address strobe (ADSC). Address
advancement through the burst sequence is controlled by the
ADV input. A two-bit on-chip wraparound burst counter captures
the first address in a burst sequence and automatically incre-
ments the address for the rest of the burst access.
Byte write operations are qualified with the byte write enable
(BWE) and byte write select (BWX) inputs. A global write enable
(GW) overrides all byte write inputs and writes data to all four
bytes. All writes are simplified with on-chip synchronous
self-timed write circuitry.
Three synchronous chip selects (CE1, CE2, CE3) and an
asynchronous output enable (OE) provide for easy bank
selection and output tri-state control. ADSP is ignored if CE1is
HIGH.
Single Read Accesses
This access is initiated when the following conditions are
satisfied at clock rise: (1) ADSP or ADSC is asserted LOW,
(2) CE1, CE2, CE3are all asserted active, and (3) the write
signals (GW, BWE) are all deserted HIGH. ADSP is ignored if
CE1is HIGH. The address presented to the address inputs (A)
is stored into the address advancement logic and the address
register while being presented to the memory array. The corre-
sponding data is enabled to propagate to the input of the output
registers. At the rising edge of the next clock, the data is enabled
to propagate through the output register and onto the data bus
within 2.6 ns (250 MHz device) if OE is active LOW. The only
exception occurs when the SRAM is emerging from a deselected
state to a selected state; its outputs are always tri-stated during
the first cycle of the access. After the first cycle of the access,
the outputs are controlled by the OE signal. Consecutive single
read cycles are supported. Once the SRAM is deselected at
clock rise by the chip select and either ADSP or ADSC signals,
its output tri-states immediately.
Single Write Accesses Initiated by ADSP
This access is initiated when both the following conditions are
satisfied at clock rise: (1) ADSP is asserted LOW and (2) CE1,
CE2, and CE3are all asserted active. The address presented to
A is loaded into the address register and the address
advancement logic while being delivered to the memory array.
The write signals (GW, BWE, and BWX) and ADV inputs are
ignored during this first cycle.
ADSP triggered write accesses require two clock cycles to
complete. If GW is asserted LOW on the second clock rise, the
data presented to the DQs inputs is written into the corre-
sponding address location in the memory array. If GW is HIGH,
then the write operation is controlled by BWE and BWXsignals.
The CY7C1380D/CY7C1382D/CY7C1380F/CY7C1382F
provides byte write capability that is described in the write cycle
descriptions table. Asserting the byte write enable input (BWE)
with the selected byte write (BWX) input, selectively writes to only
the desired bytes. Bytes not selected during a byte write
operation remain unaltered. A synchronous self-timed write
mechanism has been provided to simplify the write operations.
The CY7C1380D/CY7C1382D/CY7C1380F/CY7C1382F is a
common I/O device, the output enable (OE) must be deserted
HIGH before presenting data to the DQs inputs. Doing so
tri-states the output drivers. As a safety precaution, DQs are
automatically tri-stated whenever a write cycle is detected,
regardless of the state of OE.
Single Write Accesses Initiated by ADSC
ADSC write accesses are initiated when the following conditions
are satisfied: (1) ADSC is asserted LOW, (2) ADSP is deserted
HIGH, (3) CE1, CE2, and CE3are all asserted active, and (4) the
appropriate combination of the write inputs (GW, BWE, and
BWX) are asserted active to conduct a write to the desired
byte(s). ADSC-triggered Write accesses require a single clock
cycle to complete. The address presented to A is loaded into the
address register and the address advancement logic while being
delivered to the memory array. The ADV input is ignored during
this cycle. If a global write is conducted, the data presented to
the DQs is written into the corresponding address location in the
memory core. If a byte write is conducted, only the selected bytes
are written. Bytes not selected during a byte write operation
remain unaltered. A synchronous self-timed write mechanism
has been provided to simplify the write operations.
The CY7C1380D/CY7C1382D/CY7C1380F/CY7C1382F is a
common I/O device, the output enable (OE) must be deserted
HIGH before presenting data to the DQs inputs. Doing so
tri-states the output drivers. As a safety precaution, DQs are
automatically tri-stated whenever a write cycle is detected,
regardless of the state of OE.
[+] Feedback