Pos. Teile-Nr. Benennung Denomination Pos. Teile-Nr. Benennung Denomination
002Tafel/ Table: Seite/ Page: 1von/ of 2
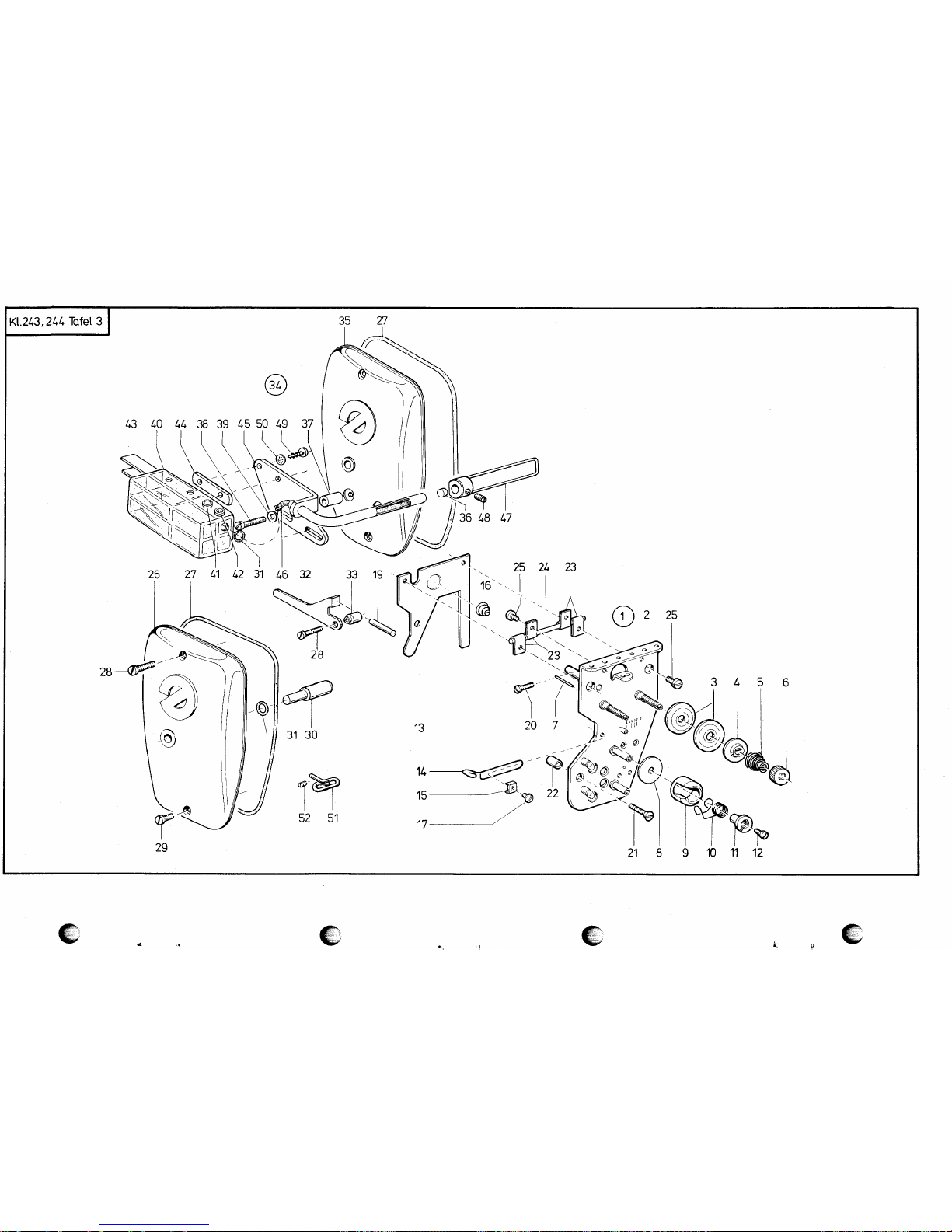
10211 000462 Lfift,Kioben kpl. Lifting block cpl.10082 (mit Pas. 2) (with pos. 2)
20902 000153 Zyi,Schraube Cyl. head screw10084
30211 000437 Stoffstange kpl. Cloth presser bar cpl.10085 (m it Pas. 4) (with pos. 4)
40216 000406 Zyi,Schraube Cy]. head screw10087
50931 001951 Stoffst,Buchse Sleeve10088
60216 001146 Gewindestift Threaded stud10089
70211 000440 F5hr,Boizen Guide bolt10090
80211 000439 Druckfeder Pressure spring10091
90211 000427 Regulierbuchse Regulating sleeve10092
10 0212 000198 L0ft,Lasche Releasing strip10093
11 0246 001035 Zugfecler Tension spring10094
12 0212 000211 Blattfeder Leaf spring10095
13 223700 Zyi,Schraube Cyl. head screw10096
14 0219 000185 Winkelhebel Bentlever10097
15 0211 000100a Sicher;-Scheilbe Safety washer10098
16 0212 000179 Zapferischraube Pivot screw10099
17 93002119 Sicher,Scheilbe Safety washer10100
18 0244 000242 NaclAulisse kpl. Crank cpl.10101 (mit Pas. 19, 21 (with pos. 19, 21
und 28) and 28)
19 558631 Zyi,Schraube Cyl. head screw10104
20 0212 000260 Zugstange Draw bar10105
21 0212 000231 Bolzen Bolt10106
23 0265 000151 F5hr,Boizen Guide bolt10107
24 0212 000252 F5hr,BoIzen Guide bolt10108
25 0911 000478 Gummiring Rubber ring10109
26 0702 000020 Gewindestift Threaded stud10110
27 0212 000083 Bolzen Bolt10111
28 0212 000232 6kt.-Mutter Hexagonalnut10112
29 0212 000927 Lagerboizen Bearing bolt10113
30 0212 000229 Buchse Sleeve10114
31 0213 000370 Zy],Schraube Cyl. head screw10115
32 0744 003142 Sicher,Scheibe Safety washer10116
33 0212 000247 Scheilbe Washer10117
34 0212 000151 Kreuzkopf kpl. Cross head10118 (mit Pas. 35) (with pos. 35)
35 0223 000646 Gewindestift Threaded pin10120
36 0211 000391 A Scheilbe Wahser10121
37 0211 000390 K Zugstange kpl. Drawbar cp].10122 (mit Pas. 36 und 38) (with pos. 36 and 38)
38 0211 000208 Nadelkranz Needle ring10124
39 0211 000394 Gleitstein Slide block10125
40 0211 000395 Sprengring Spring ring10126
41 0265 005207 Fadenhebel Thread lever10127
42 0211 000408 Nadelkranz Needle ring10128
43 0211 009830 Kurbeizapfen Crank pin10129
44 0211 000397 Nadelkranz Needle ring10130
45 0211 000398 Schraube Screw10131
46 0211 000407 Anlageplatte Distance piece10132
47 0211 000331 Gummiring Rubber ring10133
48 211411 a Facl,Achse Thread shaft10134
49 211414 Gewindestift Threaded stud10135
50 1001 001162 VerschlufAkappe Cap10136
51 0265 000379 Fad,Helbelschutz kpl. Guard bow for thread10137 (mit Pas. 56) lever cpl. (with pos. 56)
52 21688 Zyi,Schraube Cyl. head screw10139
53 0211 000422 L5fterz,Draht Lifter pulling wire10140
54 0219 000193 Winkelhebel Bentlever10141
55 0211 000420 Zapferischraube Pivot screw10142
56 0265 000379 B Ring Ring10143
57 0211 000551 Ldfterz.-Draht Lifter pulling wire10144
58 0219 000836 Winkelhebel Bentlever10145
59 0211 000242 Lagerboizen Bearing bolt10146
62 0211 000237 Druckstange Pressure bar10147
63 1001 009140 Ansauschraube Shoulder screw10148
64 0024 000080 A Scheibe Washer10149
65 0211 000232 A Winkelhebel Bentlever10150
66 0223 000448 Gewindestift Threaded stud10151
67 0M G 431408 Eikt,Mutter Hexagonalnut10152
68 0211 000234 Kniehebelwelle Knee lever shaft10153
69 0219 000840 DreMeder Torsion spring10154
70 0265 000289 Sicher,Scheilbe Safety washer10155
72 MG4/6 Scheilbe Washer10156
73 0244 000262 FaclenfGhrung Thread guide10157