2 INFOSEC UPS SYSTEM - 4, rue de la Rigotière - 44700 Orvault - FRANCE - www.infosec-ups.com
Hot
Line
–
Tel
+
33
(0)2
40
76
15
82
-
Fax
+
33
(0)2
40
94
29
51
-
[email protected] –
04
11
AA
59
201
17
GENERAL INDEX
1 INTRODUCTION .............................................................................................................................. 4
1.1 Using this manual ............................................................................................................................ 4
1.2 Symbols and conventions.................................................................................................................. 4
1.3 For further information and/or help ................................................................................................... 4
1.4 Safety and first aid........................................................................................................................... 4
2 QUALITY AND STANDARD GUARANTEE.......................................................................................... 5
2.1 Standard ......................................................................................................................................... 5
2.2 Environment.................................................................................................................................... 5
3 PRESENTATION............................................................................................................................... 6
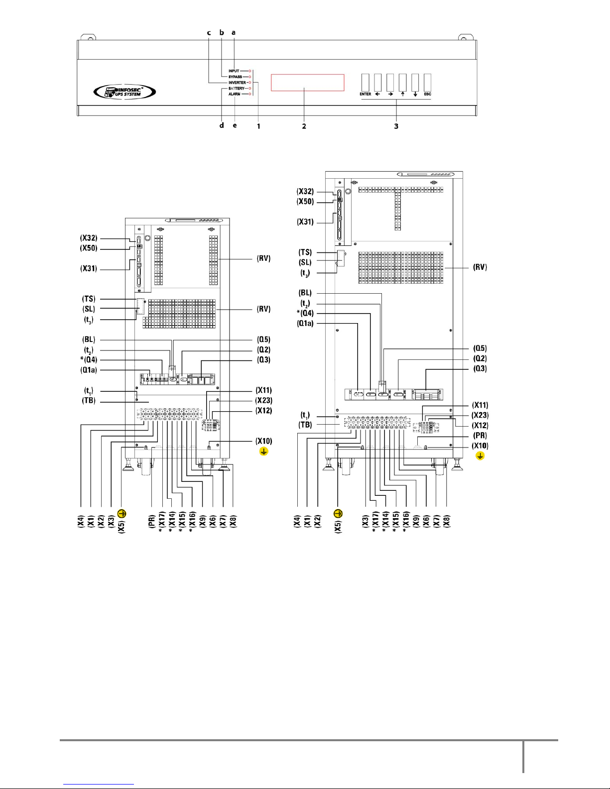
3.1 Views.............................................................................................................................................. 6
3.1.1 Equipment.............................................................................................................................. 6
3.1.2 Diagram keys........................................................................................................................ 10
3.2 Definition and structure. ................................................................................................................. 11
3.2.1 Structural diagram................................................................................................................. 11
3.3 Operating principle......................................................................................................................... 12
3.3.1 Normal operation, ()........................................................................................................... 12
3.3.2 Operation with mains failure, ()............................................................................................ 12
3.3.3 Operation with inverter not active, (). .................................................................................. 12
3.3.4 Operation in manual bypass, ()........................................................................................... 12
4 INSTALLATION.............................................................................................................................. 13
4.1 Important safety instructions. ......................................................................................................... 13
4.1.1 Batteries............................................................................................................................... 13
4.1.2 Account access. .................................................................................................................... 14
4.2 Equipment Reception. .................................................................................................................... 16
4.2.1 Unpacking and content checking............................................................................................. 16
4.2.2 Storage. ............................................................................................................................... 16
4.2.3 Transport to location. ............................................................................................................ 17
4.2.4 Location. .............................................................................................................................. 17
4.3 Connections................................................................................................................................... 17
4.3.1 Mains terminals (X1 to X4). .................................................................................................... 17
4.3.2 Independent static bypass line connection, terminals (X14 to X17). Only in versions M4T-B......... 18
4.3.3 Output, terminals (X6 to X9). ................................................................................................. 19
4.3.4 UPS connection to each in-cabinet battery pack, terminals (X11, X12, X23) & (X47, X48, X49)..... 19
4.3.5 Main protective earthing terminal ( ) & protective earth bonding terminal ( ). ......................... 20
4.3.6 COM port to relay. Connector (X32). ....................................................................................... 21
4.3.7 Port COM RS-232 & RS-485. Connector (X32).......................................................................... 21
4.3.8 EPO terminals (X50). ............................................................................................................. 22
5 OPERATION................................................................................................................................... 23
5.1 Start up......................................................................................................................................... 23
5.1.1 Control before start up. ......................................................................................................... 23
5.1.2 Start up procedure. ............................................................................................................... 23
5.2 Complete UPS shutdown................................................................................................................. 25
5.3 Emergency power off (EPO) operation. ............................................................................................ 25
5.4 Bypass manual switch (MAINTENANCE). .......................................................................................... 26
5.4.1 Operating principle. ............................................................................................................... 26
5.4.2 Transfer to maintenance bypass. ............................................................................................ 26
5.4.3 Transfer to normal operation.................................................................................................. 26