
3
5693 979 - 05
Vitotronic 300, GW5B Installation and Service
Safety
Preparing for Installation
Installation Sequences
Commissioning
Service Scans
Troubleshooting
Function Description
Safety, Installation and Warranty Requirements..............2
Product documentation...........................................2
Licensed professional heating contractor...................2
Advice to owner....................................................2
Warranty...............................................................2
Operating and Service Documentation......................2
Product Information.....................................................2
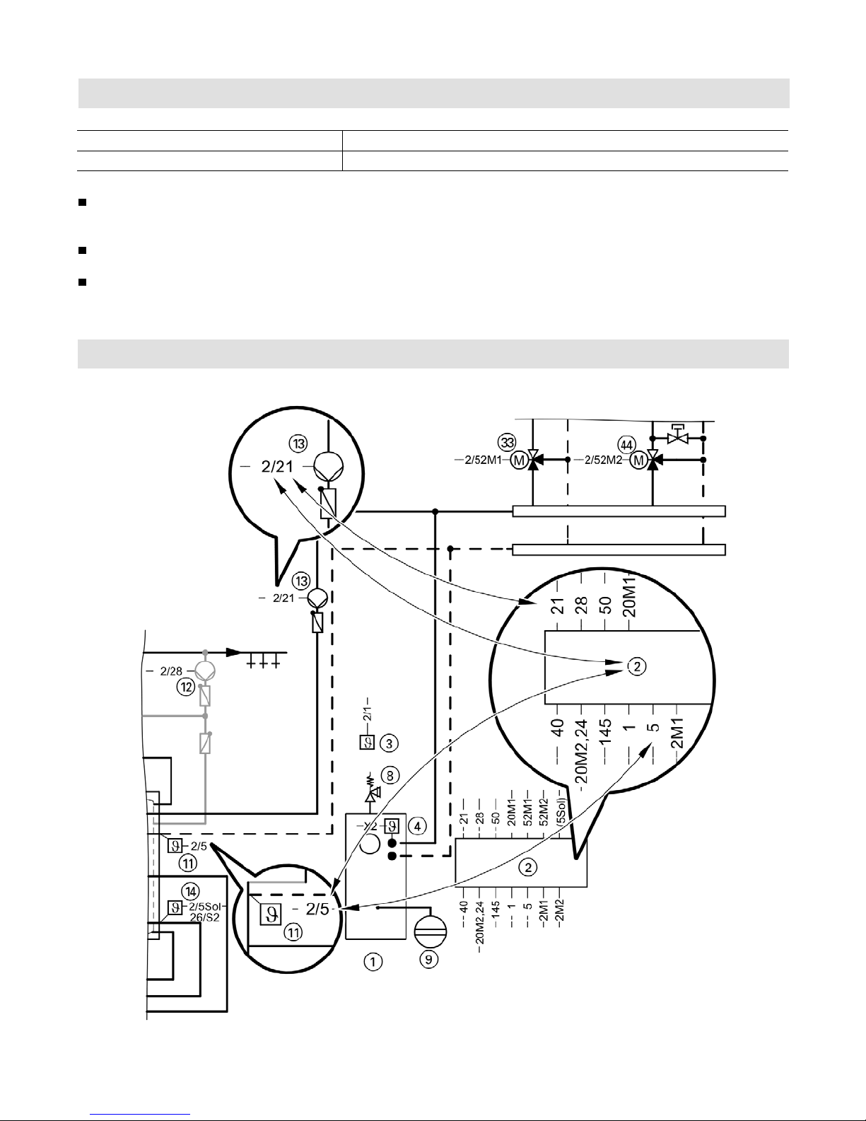
Overview of System Example.......................................5
Designations in the System Example..........................5
System Example....................................................6
Overview of Electrical Connections.............................11
Inserting Cables and Applying Strain Relief...................14
Inserting the Boiler Coding Card.................................14
Connect Sensors.....................................................15
120V External Connection.........................................16
Connecting the Central Fault Message Facility..............18
Connecting Actuators................................................19
Connection to Low Water Cut-Off Device....................20
Connection to Terminal 151.......................................20
External Demand via Switching Contact.......................21
External Demand via 0-10V Input................................21
External Block via Switching Contact..........................22
External “Mixer Closed”/”Mixer Open”........................22
External Heating Program Changeover”.......................23
Provisional Burner Operation.......................................24
Connecting a Burner..................................................24
Power Supply...........................................................25
Boiler Control and Junction Box.................................28
Mounting the Control Unit.........................................29
Opening the Control Unit...........................................29
Setting the Language.................................................30
Setting the Time and Date.........................................30
Testing the high limit Safety Cut-Out..........................30
Checking Actuators and Sensors.................................31
Adjusting Heating Curves...........................................32
Connecting the Control Unit to the LON......................34
Integrating a Control Unit into the LON........................35
Entering the Service PIN for LON Participants...............35
Calling up the Service Menu.......................................36
Exiting the Service Menu...........................................36
Operating Data........................................................37
Brief Scan................................................................38
Display....................................................................39
Fault Codes..............................................................40
Boiler Water Temperature Control...............................49
Heating Circuit Control Unit.......................................49
DHW tank Temperature Control..................................53
Page
Table of Contents